1. Giới thiệu dòng sản phẩm
TOTO CS769CDRW12 (mã đầy đủ CS769CDRW12XW) là mẫu bồn cầu hai khối cao cấp của TOTO, kết hợp nắp rửa điện tử Washlet dòng S7. Sản phẩm hội tụ nhiều tính năng thông minh như nắp đóng/mở tự động, rửa đa chế độ, khử mùi, sưởi ấm, giúp nâng tầm trải nghiệm vệ sinh tiện nghi hiện đại cho phòng tắm đẳng cấp.
2. Thiết kế & thông số kỹ thuật nổi bật
-
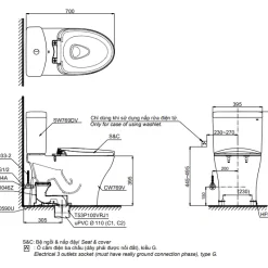
Kích thước: 700 mm (dài) × 395 mm (rộng) × 747 mm (cao) – phù hợp với mọi không gian phòng tắm tiêu chuẩn.
-
Tâm xả: 305 mm – dễ dàng lắp đặt trong hệ thống hiện có.
-
Lượng nước xả: 4.5 L (xả đại) / 3.0 L (xả tiểu) – hiệu quả và tiết kiệm.
-
Áp lực nước: 0.05 – 0.70 MPa; Nguồn điện: 220 V, 50/60 Hz.
-
Thiết kế: Thân dài, thân kín, vành kín (Rimless), giúp tăng thẩm mỹ và dễ dàng vệ sinh.
-
Xuất xứ: Sản xuất tại Việt Nam theo công nghệ Nhật Bản, đảm bảo chất lượng và độ bền.
-
Bao gồm: Van khóa, gioăng đế, bích nối sàn đi kèm.
3. Bản vẽ kỹ thuật 2D bồn cầu CS769CDRW12

4. Công nghệ & tính năng ưu việt
CEFIONTECT
Lớp men sứ siêu mịn, chống bám bẩn, giúp chất thải dễ dàng bị cuốn trôi và tăng tuổi thọ sản phẩm.
Tornado Flush
Hệ thống xả xoáy mạnh mẽ, êm ái, tiết kiệm nước, làm sạch toàn bộ lòng bàn cầu hiệu quả.
Thiết kế Vành Kín (Rimless)
Không góc, khe hở để vi khuẩn trú ẩn; giúp việc vệ sinh nhanh chóng, hiệu quả.
Washlet S7 – Nắp rửa điện tử cao cấp
Tích hợp hàng loạt công nghệ tiện ích:
-
Tự đóng/mở nắp khi tiếp cận.
-
Ewater+: khử khuẩn bằng nước điện phân, phun sương làm sạch lòng bàn cầu và vòi trước/sau sử dụng.
-
Vòi rửa massage đa chức năng (rửa trước/sau), công nghệ Air‑in Wonder‑Wave tạo bọt khí, cảm giác nhẹ nhàng và tiết kiệm nước.
-
Sưởi ấm bệ ngồi, sấy khô, khử mùi tự động với quạt tích hợp màng lọc (deodorizer).
-
Đèn chiếu sáng ban đêm nhẹ nhàng, điều khiển từ xa không dây.
5. Ưu điểm và lợi ích khi sở hữu CS769CDRW12
Vệ sinh dễ dàng:
Men CEFIONTECT và thiết kế vành kín giúp duy trì độ sạch và giảm thời gian lau chùi.
Tiết kiệm nước – hiệu quả cao:
Xả Tornado mạnh mẽ với chế độ 2 nút – vừa sạch vừa thân thiện với môi trường.
Trải nghiệm tiện nghi đỉnh cao:
Tính năng tự động, massage, sưởi ấm, sấy khô mang lại cảm giác sang trọng như khách sạn 5 sao.
Cho không gian tinh tế:
Thiết kế giấu dây, gọn gàng, tinh tế – nâng tầm phòng tắm hiện đại.
Đáng tin cậy – bảo hành tốt:
Sản phẩm chính hãng TOTO Việt Nam, được hỗ trợ bảo hành 2 năm.
6. Kết luận
TOTO CS769CDRW12 là sự kết hợp hoàn hảo giữa công nghệ tiên tiến và thiết kế tinh xảo, lý tưởng cho người dùng tìm kiếm sự tiện nghi, hiện đại và dễ dàng bảo trì. Đây là lựa chọn tối ưu cho phòng tắm thông minh, hiệu quả và sang trọng.



