Bồn cầu TOTO CS818DE4 – Thiết kế sang trọng, xả sạch mạnh mẽ, lựa chọn lý tưởng cho không gian hiện đại
Trong số các mẫu bồn cầu 2 khối của TOTO được ưa chuộng hiện nay, TOTO CS818DE4 nổi bật với thiết kế gọn gàng, công nghệ xả Siphon mạnh mẽ cùng khả năng tiết kiệm nước hiệu quả. Đây là sản phẩm phù hợp với nhiều kiểu công trình, từ căn hộ, nhà phố đến khách sạn, khu nghỉ dưỡng cao cấp. Với sự kết hợp giữa tính năng hiện đại và mức giá hợp lý, CS818DE4 đang là lựa chọn lý tưởng cho người dùng đang tìm kiếm một mẫu bồn cầu chất lượng, bền bỉ và tiện nghi.
1. Thiết kế 2 khối truyền thống – Đơn giản nhưng hiện đại
Bồn cầu TOTO CS818DE4 thuộc dòng 2 khối, với phần két nước và thân cầu tách biệt, giúp quá trình vận chuyển, lắp đặt và bảo trì trở nên thuận tiện hơn. Kiểu dáng truyền thống nhưng được tinh chỉnh theo phong cách hiện đại với các đường bo cong mềm mại, tối giản mà tinh tế – tạo điểm nhấn cho không gian nhà vệ sinh.
Toàn bộ thân bồn cầu được phủ lớp men sứ trắng cao cấp, tạo cảm giác sạch sẽ, sang trọng và dễ dàng kết hợp với các thiết bị vệ sinh khác trong phòng tắm.
2. Công nghệ xả Siphon – Cuốn trôi mạnh mẽ, giảm tắc nghẽn
Khác với các mẫu bồn cầu sử dụng hệ thống xả Washdown, TOTO CS818DE4 ứng dụng công nghệ Siphon mạnh mẽ – hoạt động dựa trên nguyên lý tạo lực hút chân không, giúp cuốn trôi chất thải nhanh chóng chỉ với một lần xả.
Ưu điểm của xả Siphon:
-
Xả sạch hiệu quả, không cần xả lại
-
Hạn chế tối đa tình trạng tắc nghẽn
-
Vận hành êm ái, không gây tiếng ồn lớn
-
Thích hợp với hệ thống thoát sàn phổ biến tại Việt Nam
Bồn cầu được trang bị nút nhấn đôi, với hai mức xả nước:
-
Xả đại: 4.8L
-
Xả tiểu: 3.0L
Nhờ đó, người dùng có thể tiết kiệm nước hiệu quả mà vẫn đảm bảo hiệu suất xả sạch tối ưu.
3. Chất liệu sứ cao cấp phủ men chống bám bẩn – Dễ vệ sinh, bền đẹp theo thời gian
CS818DE4 sử dụng chất liệu sứ vệ sinh cao cấp, phủ lớp men chống bám bẩn độc quyền của TOTO, mang lại nhiều lợi ích:
-
Ngăn ngừa vi khuẩn, mảng bám và cặn bẩn
-
Giữ bề mặt sứ luôn sáng bóng, sạch sẽ
-
Giảm thiểu công sức và thời gian vệ sinh
-
Tăng độ bền và tuổi thọ cho sản phẩm
Đây là yếu tố giúp sản phẩm luôn giữ được vẻ đẹp thẩm mỹ và vệ sinh sau thời gian dài sử dụng, đặc biệt phù hợp với môi trường ẩm ướt như nhà vệ sinh.
4. Trang bị nắp đóng êm TC393VS – An toàn và yên tĩnh
Bồn cầu TOTO CS818DE4 đi kèm nắp đóng êm TC393VS, một chi tiết nhỏ nhưng nâng cao đáng kể trải nghiệm người dùng:
-
Đóng/mở nhẹ nhàng, không gây tiếng động
-
Giảm va đập, hạn chế hư hỏng nắp hoặc thân cầu
-
An toàn cho trẻ nhỏ và người lớn tuổi
Việc tích hợp nắp đóng êm giúp giữ gìn sự yên tĩnh cho không gian, đặc biệt vào ban đêm hoặc tại các khu nghỉ dưỡng, khách sạn cao cấp.
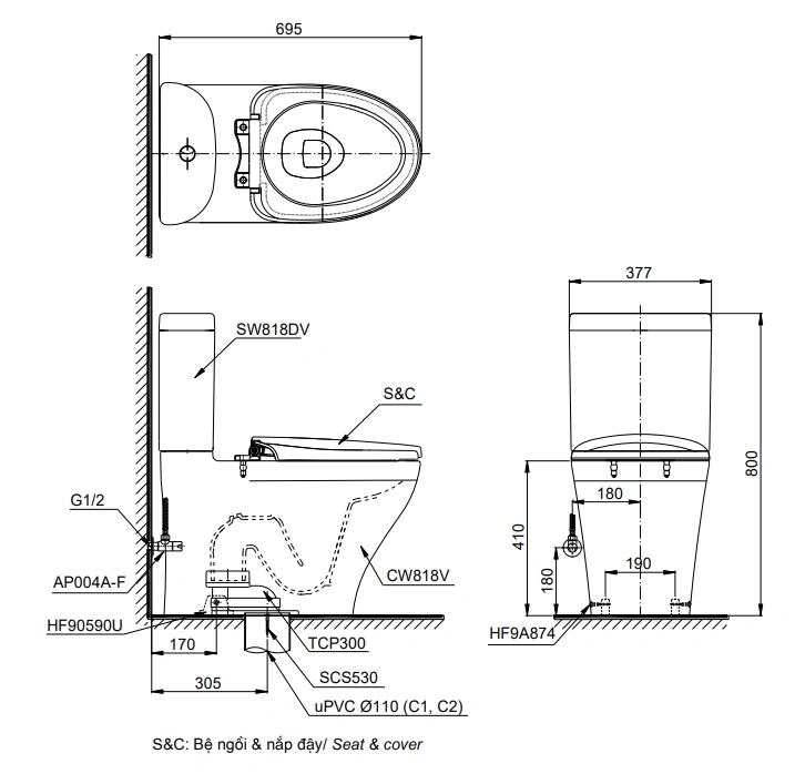
5. Thông số kỹ thuật TOTO CS818DE4
-
Loại bồn cầu: 2 khối
-
Hệ thống xả: Siphon
-
Kiểu xả: Nhấn 2 nút (xả đại 4.8L / xả tiểu 3.0L)
-
Tâm xả: 305 mm
-
Nắp bồn cầu: TC393VS (nắp đóng êm)
-
Màu sắc: Trắng
-
Chất liệu: Sứ vệ sinh cao cấp phủ men chống bám
-
Xuất xứ: Chính hãng TOTO – sản xuất tại Việt Nam
-
Bảo hành: Chính hãng theo quy định của TOTO Việt Nam
6. Ưu điểm nổi bật của TOTO CS818DE4
Thiết kế 2 khối tiện lợi, dễ thi công và bảo trì
Hệ thống xả Siphon mạnh mẽ, xả sạch trong 1 lần
Tiết kiệm nước nhờ nút nhấn đôi thông minh
Sứ phủ men chống bám – dễ vệ sinh, luôn sáng bóng
Nắp đóng êm TC393VS – an toàn, sang trọng
Sản phẩm chính hãng TOTO – độ bền cao, bảo hành đầy đủ
7. Bản vẽ kỹ thuật 2D bồn cầu CS818DE4

8. Kết luận
TOTO CS818DE4 là mẫu bồn cầu 2 khối đáng đầu tư với thiết kế hiện đại, hệ thống xả Siphon mạnh mẽ và khả năng tiết kiệm nước tối ưu. Kết hợp cùng lớp men chống bám bẩn và nắp đóng êm tiện dụng, sản phẩm này mang lại sự thoải mái, sạch sẽ và bền bỉ trong quá trình sử dụng. Đây chắc chắn là giải pháp lý tưởng cho không gian vệ sinh tiện nghi và đẳng cấp.



