Lavabo TOTO LT300C/LT300CM – Đơn Giản, Hiện Đại và Tiện Ích
Lavabo TOTO LT300C/LT300CM là dòng chậu rửa đặt nổi trên bàn với thiết kế nhỏ gọn, hiện đại, phù hợp cho nhiều không gian phòng tắm từ gia đình đến khách sạn, nhà hàng. Với chất liệu sứ vệ sinh cao cấp và công nghệ men chống bám bẩn CeFiONtect, sản phẩm vừa mang lại vẻ đẹp sang trọng vừa đáp ứng nhu cầu sử dụng tiện lợi hàng ngày.
1. Thiết kế tối giản – Tinh tế và sang trọng
Lavabo LT300C/LT300CM có kiểu dáng tròn trịa mềm mại, đặt nổi trên bàn, giúp tối ưu diện tích và mang lại sự gọn gàng cho phòng tắm. Đây là sự lựa chọn lý tưởng cho những không gian hiện đại yêu thích phong cách tối giản.
2. Chất liệu cao cấp – Bền bỉ theo thời gian
Sản phẩm được chế tác từ sứ vệ sinh Vitreous China cao cấp, có khả năng chống nứt vỡ, chịu lực tốt và duy trì độ sáng bóng trong thời gian dài. Chất liệu này không chỉ bền mà còn an toàn cho sức khỏe người dùng.
3. Công nghệ men CeFiONtect – Ngăn ngừa bám bẩn
Lavabo LT300C/LT300CM được phủ lớp men CeFiONtect độc quyền của TOTO, giúp bề mặt trở nên siêu mịn, hạn chế vi khuẩn, cặn bẩn bám dính. Điều này giúp việc vệ sinh trở nên dễ dàng và giữ cho lavabo luôn sáng mới.
4. Tính năng tiện lợi – An toàn khi sử dụng
Sản phẩm có thiết kế lỗ thoát tràn, giúp hạn chế nước tràn ra ngoài, mang lại sự an toàn khi sử dụng. Với kích thước nhỏ gọn, lavabo phù hợp cho cả những phòng tắm diện tích hạn chế nhưng vẫn cần sự tiện nghi và thẩm mỹ.
5. Thông số kỹ thuật
-
Mã sản phẩm: TOTO LT300C/LT300CM
-
Loại chậu: Lavabo đặt nổi trên bàn (Counter-top Basin)
-
Kích thước: 400 × 400 × 150 mm (Dài × Rộng × Cao)
-
Chất liệu: Sứ vệ sinh cao cấp (Vitreous China)
-
Công nghệ: Men CeFiONtect chống bám bẩn
-
Tính năng: Lỗ thoát tràn an toàn
-
Màu sắc: Trắng trang nhã
-
Thương hiệu: TOTO – Nhật Bản
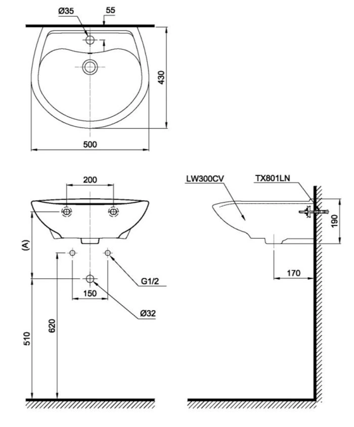
6. Bản vẽ kỹ thuật 2D lavabo treo tường LT300C/LT300CM

7. Kết luận
Lavabo TOTO LT300C/LT300CM là sự kết hợp hoàn hảo giữa thiết kế tối giản và công năng hiện đại. Với chất liệu cao cấp, công nghệ men chống bám bẩn và kiểu dáng nhỏ gọn, sản phẩm là lựa chọn lý tưởng cho những ai yêu thích sự tinh tế, bền đẹp và tiện ích trong không gian phòng tắm.



