TBS04302V/DGH108ZR – Bộ sen tắm nóng lạnh cao cấp, hiện đại và đa chức năng
1. Giới thiệu về TBS04302V/DGH108ZR
Bộ TBS04302V/DGH108ZR thuộc dòng sen tắm LF cao cấp của TOTO, bao gồm tay gật gù TBS04302V và bát sen cầm tay DGH108ZR. Sản phẩm được thiết kế tinh tế, bền bỉ, mang lại trải nghiệm tắm tiện nghi và sang trọng. Với bát sen 5 chế độ, người dùng có thể tùy chỉnh dòng nước theo nhu cầu, phù hợp với không gian phòng tắm gia đình, khách sạn, resort và spa.
2. Đặc điểm nổi bật
-
Thiết kế hiện đại, gọn gàng, phù hợp với nhiều phong cách phòng tắm.
-
Lớp mạ Niken – Crom sáng bóng, dày gấp 3 lần thông thường, chống gỉ sét, dễ vệ sinh.
-
Bát sen cầm tay 5 chế độ massage, mang lại trải nghiệm tắm đa dạng và thư giãn.
-
Điều chỉnh nước nóng – lạnh dễ dàng qua tay gật gù, vận hành êm ái và chính xác.
-
Hoạt động ổn định trong dải áp lực nước phổ biến 0.05 – 1.0 MPa.
3. Ưu điểm khi sử dụng TBS04302V/DGH108ZR
-
Tiện nghi tối đa: Linh hoạt thay đổi chế độ phun nước với sen tay.
-
An toàn khi sử dụng: Điều chỉnh nhiệt độ nước chính xác, hạn chế thay đổi đột ngột.
-
Chất liệu cao cấp: Chống oxy hóa, chống ăn mòn, bền lâu.
-
Thiết kế tinh tế: Tạo điểm nhấn sang trọng cho phòng tắm.
-
Dễ lắp đặt và vệ sinh: Bề mặt mịn sáng, ít bám bẩn.
4. Ứng dụng thực tế
-
Gia đình: Mang lại sự thoải mái, an toàn cho mọi thành viên.
-
Khách sạn, resort: Tăng trải nghiệm thư giãn, nâng cao sự sang trọng.
-
Spa cao cấp: Đáp ứng nhu cầu tắm massage đa dạng, mang lại sự hài lòng cho khách hàng.
5. Thông số kỹ thuật cơ bản
-
Loại sản phẩm: Bộ sen tắm nóng lạnh (tay gật gù + bát sen cầm tay).
-
Mã sản phẩm: TBS04302V/DGH108ZR.
-
Chất liệu: Đồng thau mạ Niken – Crom (tay gật gù); bát sen nhựa cao cấp mạ Crom.
-
Áp lực nước: 0.05 – 1.0 MPa.
-
Tính năng: Điều chỉnh lưu lượng và nhiệt độ nước; bát sen 5 chế độ massage.
-
Thiết kế: Âm tường gọn gàng, kèm giá treo sen tiện lợi.
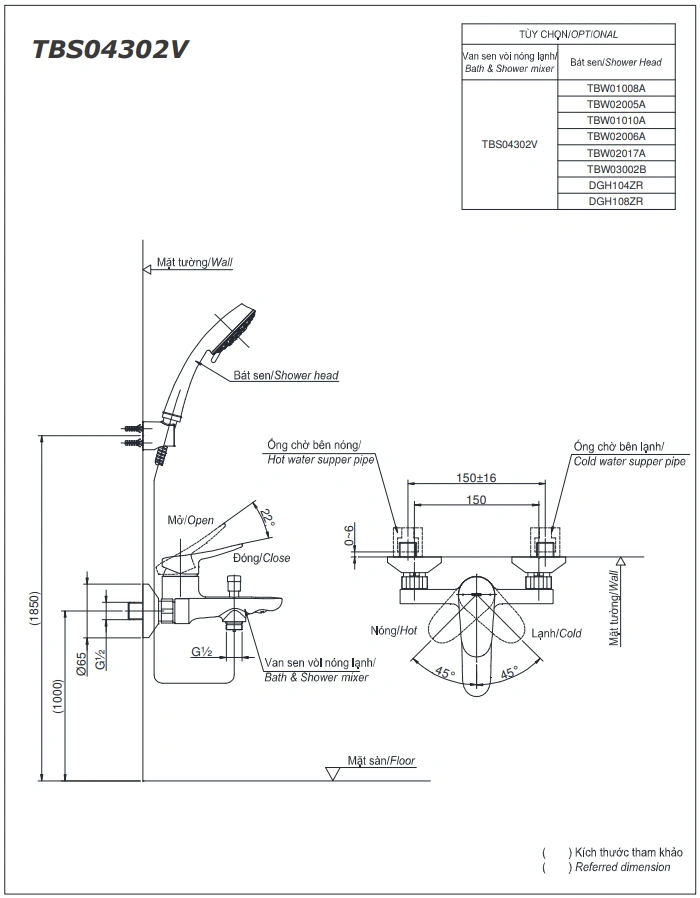
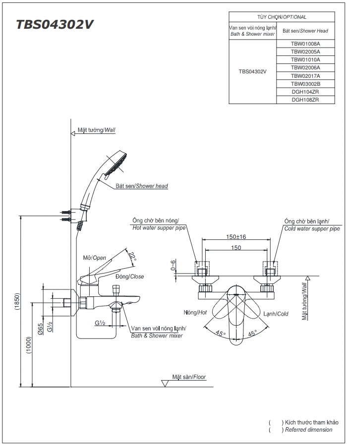
6. Bản vẽ kỹ thuật 2D vòi sen tắm nóng lạnh TBS03302V/DGH104ZR

7. Kết luận
Bộ TBS04302V/DGH108ZR là sự kết hợp hoàn hảo giữa công năng và thẩm mỹ. Với thiết kế tinh tế, bát sen cầm tay 5 chế độ và chất liệu bền bỉ, sản phẩm mang đến trải nghiệm tắm an toàn, thư giãn và sang trọng.



