TX721AN – Thanh trượt sen tắm cao cấp, tiện dụng và bền bỉ
1. Giới thiệu về TX721AN
TX721AN là mẫu thanh trượt sen tắm cao cấp được thiết kế hiện đại, sang trọng và tiện lợi. Với khả năng điều chỉnh linh hoạt độ cao tay sen, sản phẩm giúp người dùng có trải nghiệm tắm thoải mái, phù hợp cho mọi thành viên trong gia đình. Đây là phụ kiện quan trọng, góp phần hoàn thiện không gian phòng tắm hiện đại.
2. Đặc điểm nổi bật
TX721AN nổi bật nhờ thiết kế tinh tế, bề mặt sáng bóng và chất liệu bền bỉ. Thanh trượt dễ dàng điều chỉnh độ cao sen tắm, đáp ứng nhu cầu sử dụng đa dạng. Ngoài ra, sản phẩm còn có khả năng chống gỉ sét, chống ăn mòn và dễ vệ sinh, duy trì vẻ đẹp bền lâu theo thời gian.
3. Ưu điểm khi sử dụng TX721AN
-
Điều chỉnh linh hoạt: Dễ dàng thay đổi độ cao sen tắm phù hợp từng người.
-
Chất liệu cao cấp: Chống oxy hóa, chống gỉ sét, bền chắc.
-
Thẩm mỹ hiện đại: Kiểu dáng tinh tế, sang trọng, tôn vinh không gian phòng tắm.
-
Dễ vệ sinh: Bề mặt sáng bóng, ít bám bẩn.
-
Phù hợp cho mọi đối tượng: Trẻ nhỏ, người lớn, người cao tuổi.
4. Ứng dụng thực tế
TX721AN là lựa chọn hoàn hảo cho các không gian phòng tắm gia đình, khách sạn, resort hay spa. Với khả năng điều chỉnh linh hoạt, sản phẩm mang lại sự tiện nghi và thoải mái tối đa, đồng thời giúp phòng tắm thêm hiện đại và sang trọng.
5. Thông số kỹ thuật cơ bản
-
Loại sản phẩm: Thanh trượt sen tắm.
-
Chất liệu: Inox 304 hoặc đồng thau mạ crom cao cấp.
-
Bề mặt: Sáng bóng, chống gỉ sét, dễ lau chùi.
-
Chiều dài thanh trượt: ~600 – 700 mm (tùy phiên bản).
-
Tính năng: Điều chỉnh linh hoạt độ cao tay sen, cố định chắc chắn.
-
Phụ kiện kèm theo: Giá đỡ tay sen, ốc siết, gioăng cao su.
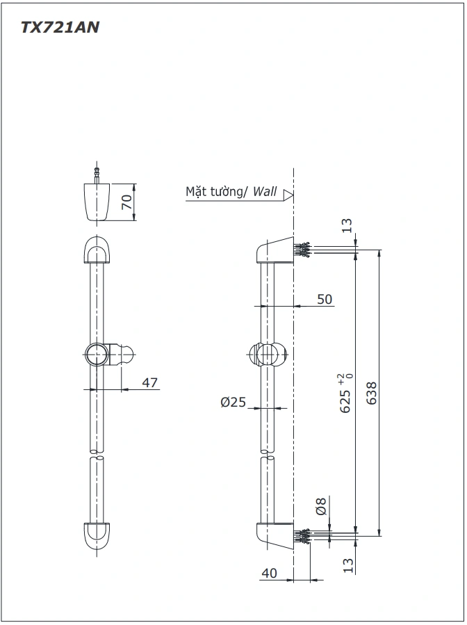
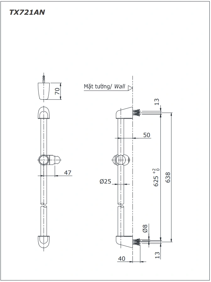
6. Bản vẽ kỹ thuật 2D thanh trượt sen tắm TX721AN

7. Kết luận
TX721AN không chỉ là một phụ kiện phòng tắm thông thường mà còn là giải pháp tiện nghi, mang đến sự thoải mái cho mọi thành viên trong gia đình. Với thiết kế tinh tế, chất liệu cao cấp và khả năng điều chỉnh linh hoạt, sản phẩm góp phần hoàn thiện không gian phòng tắm hiện đại và sang trọng.



