Vòi Chậu Nóng Lạnh TOTO TLS02308B – Hiện Đại, Tiện Ích
1. Giới thiệu sản phẩm
Vòi chậu nóng lạnh TOTO TLS02308B là dòng sản phẩm cao cấp được thiết kế theo phong cách hiện đại, sang trọng và tiện nghi. Với khả năng điều chỉnh nước nóng – lạnh linh hoạt, sản phẩm đáp ứng tối đa nhu cầu sử dụng hằng ngày, đồng thời mang đến điểm nhấn tinh tế cho không gian phòng tắm.
2. Thiết kế tinh tế
TLS02308B sở hữu thiết kế thanh thoát, tối giản nhưng vẫn sang trọng. Bề mặt sáng bóng giúp sản phẩm luôn nổi bật và dễ dàng kết hợp với nhiều loại lavabo, phù hợp cho cả không gian gia đình và công trình cao cấp.
3. Chất liệu cao cấp
Sản phẩm được sản xuất từ đồng thau nguyên chất, đảm bảo an toàn cho sức khỏe và độ bền cao. Lớp mạ Cr-Ni cao cấp giúp bề mặt sáng bóng, chống oxy hóa, hạn chế trầy xước và gỉ sét trong quá trình sử dụng lâu dài.
4. Ưu điểm nổi bật
-
Thiết kế gọn gàng, hiện đại, sang trọng.
-
Chức năng nóng – lạnh tiện lợi, dễ điều chỉnh.
-
Van đĩa sứ bền bỉ, chống rò rỉ hiệu quả.
-
Chất liệu đồng thau cao cấp, an toàn cho sức khỏe.
-
Bề mặt mạ Cr-Ni sáng bóng, chống oxy hóa.
-
Công nghệ tiết kiệm nước, thân thiện môi trường.
5. Thông số kỹ thuật
-
Mã sản phẩm: TOTO TLS02308B
-
Loại sản phẩm: Vòi chậu nóng lạnh
-
Chất liệu: Đồng thau nguyên chất
-
Lớp mạ: Cr-Ni sáng bóng
-
Áp lực nước: 0.05MPa ~ 0.75MPa
-
Van điều khiển: Van đĩa sứ chống rò rỉ
-
Màu sắc: Bạc sáng (Chrome)
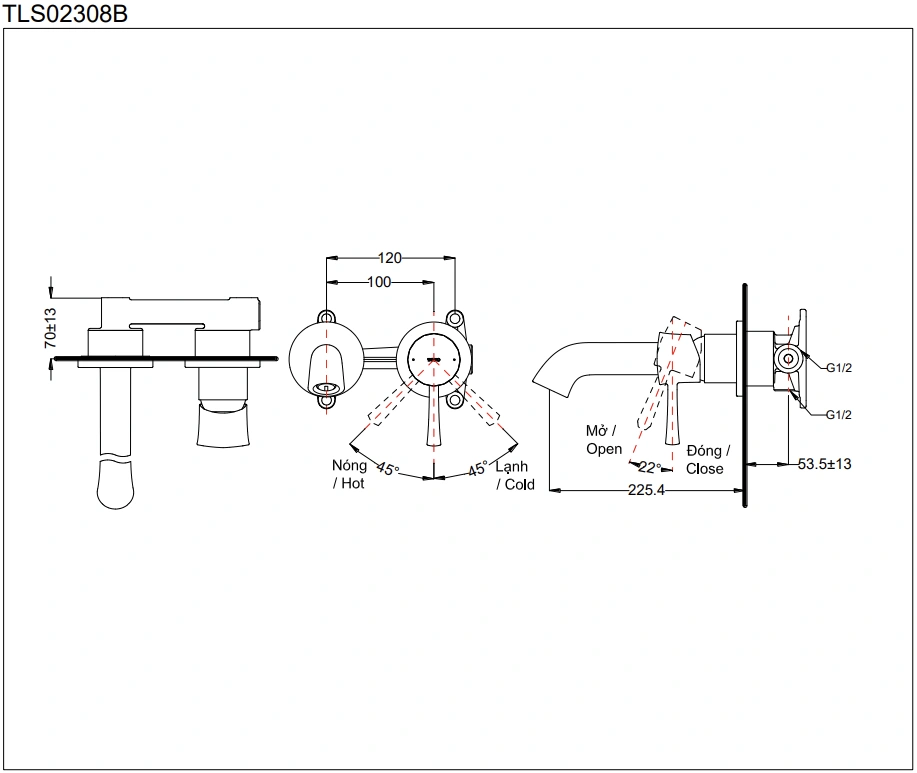
6. Bản vẽ kỹ thuật 2D vòi lavabo âm tường TLS02308B

7. Kết luận
Với thiết kế tinh tế, chất liệu bền bỉ và công nghệ tiên tiến, TOTO TLS02308B là lựa chọn lý tưởng cho những ai muốn sở hữu một phòng tắm hiện đại và tiện nghi. Đây là giải pháp hoàn hảo giúp không gian trở nên sang trọng và đẳng cấp hơn.



