Vòi Lavabo Cảm Ứng TOTO TLE25001V
1. Giới thiệu sản phẩm
TOTO TLE25001V là mẫu vòi lavabo cảm ứng thông minh của TOTO, nổi bật với thiết kế tối giản, tinh tế và hiện đại. Sản phẩm giúp mang lại trải nghiệm rửa tay tiện lợi, vệ sinh và tiết kiệm nước, phù hợp với xu hướng công nghệ trong không gian phòng tắm ngày nay.
2. Đặc điểm nổi bật
-
Công nghệ cảm ứng hồng ngoại, vận hành tự động, không cần chạm tay.
-
Thiết kế nhỏ gọn, hiện đại, dễ dàng kết hợp với nhiều loại lavabo.
-
Lớp mạ Nickel – Crom sáng bóng, chống gỉ sét và bong tróc.
-
Chức năng tiết kiệm nước tối ưu, thân thiện với môi trường.
-
Chất liệu đồng thau cao cấp, bền bỉ theo thời gian.
3. Lợi ích khi sử dụng
-
Đảm bảo tính vệ sinh tối đa nhờ vận hành không chạm.
-
Tiết kiệm nước và chi phí sử dụng lâu dài.
-
Tăng tính hiện đại và sang trọng cho không gian phòng tắm.
-
Giúp trải nghiệm rửa tay thoải mái, tiện lợi cho mọi thành viên.
4. Ứng dụng
Phù hợp lắp đặt cho gia đình, trung tâm thương mại, khách sạn, nhà hàng, bệnh viện, sân bay và các công trình công cộng cần sự tiện nghi, sang trọng và đảm bảo vệ sinh.
5. Thông số kỹ thuật
-
Mã sản phẩm: TLE25001V
-
Loại: Vòi lavabo cảm ứng gắn chậu
-
Chất liệu: Đồng thau cao cấp
-
Lớp mạ: Nickel – Crom bền đẹp
-
Nguồn điện: AC hoặc DC tùy chọn
-
Áp lực nước: 0.05MPa ~ 0.75MPa
-
Thương hiệu: TOTO
-
Xuất xứ: Việt Nam
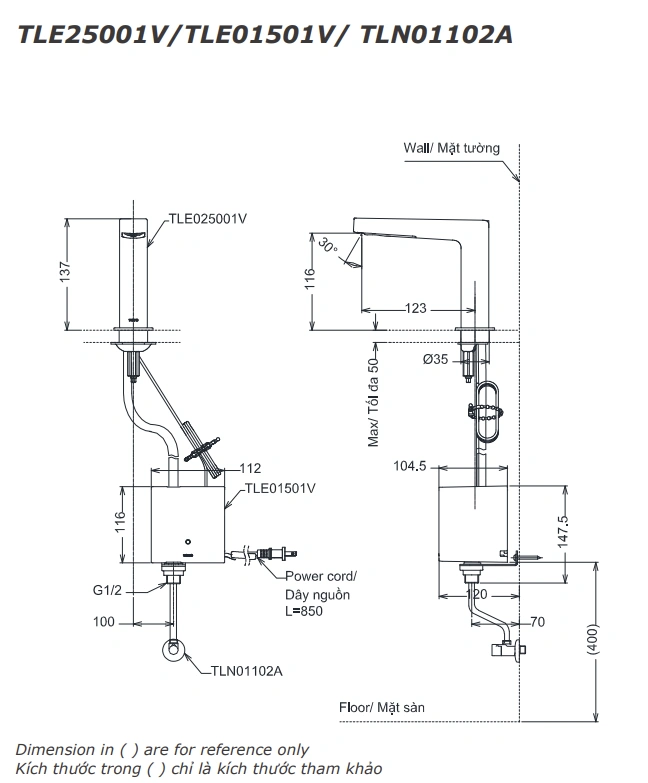
6. Bản vẽ kỹ thuật 2D vòi lavabo cảm ứng TLE25001V

7. Kết luận
Với thiết kế sang trọng, công nghệ cảm ứng hiện đại và khả năng tiết kiệm nước vượt trội, TOTO TLE25001V là giải pháp hoàn hảo cho phòng tắm hiện đại. Đây là sản phẩm vừa đảm bảo vệ sinh, vừa nâng tầm tiện nghi và đẳng cấp cho mọi công trình.



