Vòi Lavabo Cảm Ứng TOTO TLE25010V
1. Giới thiệu sản phẩm
TOTO TLE25010V là mẫu vòi lavabo cảm ứng cao cấp ứng dụng công nghệ cảm biến hồng ngoại hiện đại. Với thiết kế tối giản, tinh tế cùng chất liệu bền bỉ, sản phẩm mang lại sự tiện nghi tối đa, đảm bảo vệ sinh và tiết kiệm nước, phù hợp cho nhiều không gian phòng tắm cao cấp.
2. Đặc điểm nổi bật
-
Công nghệ cảm biến hồng ngoại, tự động cấp/ngắt nước không cần chạm tay.
-
Thiết kế để bàn hiện đại, nhỏ gọn, phù hợp với nhiều loại lavabo.
-
Lớp mạ Nickel – Crom sáng bóng, chống bong tróc, chống gỉ sét.
-
Chất liệu đồng thau cao cấp, bền đẹp và an toàn cho sức khỏe.
-
Vận hành bằng pin, không cần nguồn điện trực tiếp, tiết kiệm năng lượng.
3. Lợi ích khi sử dụng
-
Đảm bảo vệ sinh tối ưu, hạn chế tiếp xúc trực tiếp.
-
Tiết kiệm nước hiệu quả nhờ chế độ tự động ngắt thông minh.
-
Nâng cao tính thẩm mỹ, mang đến không gian sang trọng, hiện đại.
-
Độ bền cao, ít hư hỏng, giảm thiểu chi phí bảo trì lâu dài.
4. Ứng dụng
Thích hợp sử dụng trong gia đình, khách sạn, resort, trung tâm thương mại, văn phòng, nhà hàng và các công trình công cộng cần sự tiện nghi, hiện đại và vệ sinh.
5. Thông số kỹ thuật
-
Mã sản phẩm: TLE25010V
-
Loại sản phẩm: Vòi lavabo cảm ứng để bàn
-
Chất liệu: Đồng thau cao cấp
-
Lớp mạ: Nickel – Crom bền đẹp
-
Nguồn điện: Pin (không cần điện trực tiếp)
-
Áp lực nước: 0.05MPa ~ 0.75MPa
-
Kiểu xả: Cảm biến hồng ngoại tự động
-
Thương hiệu: TOTO
-
Xuất xứ: Việt Nam
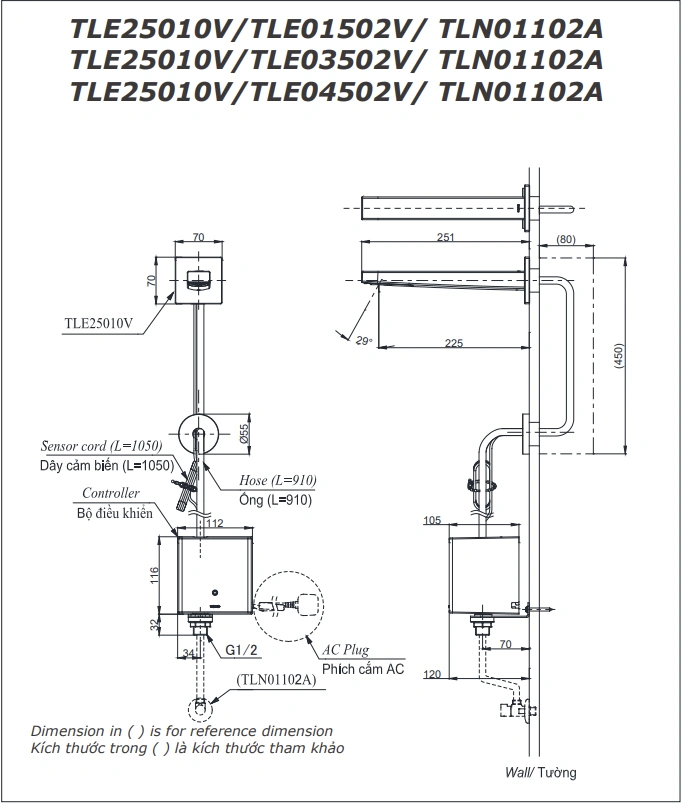
6. Bản vẽ kỹ thuật 2D vòi lavabo cảm ứng TLE25010V

7. Kết luận
Với thiết kế tinh tế, công nghệ cảm ứng hiện đại và chất liệu bền bỉ, TOTO TLE25010V là lựa chọn lý tưởng cho không gian phòng tắm cao cấp. Sản phẩm không chỉ mang lại sự tiện nghi mà còn giúp tiết kiệm nước, bảo vệ môi trường và khẳng định phong cách sống hiện đại.



