Vòi Lavabo Nóng Lạnh 3 Lỗ TOTO TLG01201BB
1. Giới thiệu sản phẩm
TOTO TLG01201BB là mẫu vòi lavabo nóng lạnh 3 lỗ cao cấp, thuộc dòng sản phẩm sang trọng của TOTO. Với thiết kế hiện đại, lớp mạ đen mờ cá tính và chất liệu đồng thau bền bỉ, sản phẩm mang đến sự tiện nghi trong sử dụng, đồng thời khẳng định phong cách sống đẳng cấp cho không gian phòng tắm.
2. Đặc điểm nổi bật
-
Thiết kế 3 lỗ để bàn, sang trọng, dễ kết hợp với nhiều kiểu lavabo.
-
Lớp mạ đen mờ (Matte Black) độc đáo, chống bong tróc và gỉ sét.
-
Tay gạt gật gù vận hành êm ái, điều chỉnh nhiệt độ và lưu lượng nước dễ dàng.
-
Công nghệ tiết kiệm nước tiên tiến, thân thiện với môi trường.
-
Van đĩa sứ chất lượng cao, bền bỉ, chống rò rỉ hiệu quả.
3. Lợi ích khi sử dụng
-
Mang đến trải nghiệm sử dụng tiện nghi, thoải mái.
-
Tăng tính thẩm mỹ, tạo phong cách hiện đại, sang trọng cho phòng tắm.
-
Giúp tiết kiệm nước mà vẫn duy trì dòng chảy mạnh mẽ.
-
Độ bền vượt trội, giảm thiểu chi phí bảo dưỡng lâu dài.
4. Ứng dụng
Phù hợp lắp đặt cho gia đình, căn hộ, khách sạn, resort và các công trình cao cấp cần sự tinh tế, hiện đại và tiện nghi.
5. Thông số kỹ thuật
-
Mã sản phẩm: TLG01201BB
-
Loại sản phẩm: Vòi lavabo nóng lạnh 3 lỗ để bàn
-
Chất liệu: Đồng thau cao cấp
-
Lớp mạ: Đen mờ (Matte Black)
-
Áp lực nước: 0.05MPa ~ 0.75MPa
-
Van điều khiển: Van đĩa sứ chống rò rỉ
-
Thương hiệu: TOTO
-
Xuất xứ: Việt Nam
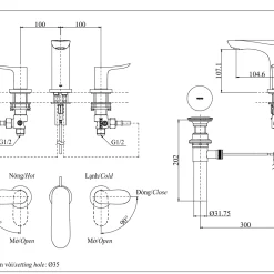
6. Bản vẽ kỹ thuật 2D vòi lavabo tay vặn nóng lạnh TLG01201BB

7. Kết luận
Với thiết kế 3 lỗ sang trọng, lớp mạ đen mờ hiện đại và chất liệu bền bỉ, TOTO TLG01201BB là lựa chọn lý tưởng cho phòng tắm cao cấp. Sản phẩm vừa tiện nghi, vừa thể hiện gu thẩm mỹ tinh tế và phong cách sống đẳng cấp.



