Vòi Lavabo Nóng Lạnh 3 Lỗ TOTO TLG11201B
1. Giới thiệu sản phẩm
TOTO TLG11201B là mẫu vòi lavabo nóng lạnh 3 lỗ cao cấp với thiết kế sang trọng, hiện đại. Sản phẩm được chế tác từ chất liệu đồng thau bền bỉ, kết hợp lớp mạ cao cấp sáng bóng, mang đến sự tiện nghi trong sử dụng và vẻ đẹp đẳng cấp cho không gian phòng tắm.
2. Đặc điểm nổi bật
-
Thiết kế 3 lỗ để bàn, tinh tế và sang trọng, dễ kết hợp với nhiều loại lavabo.
-
Cần gạt gật gù vận hành êm ái, điều chỉnh nhiệt độ và lưu lượng nước dễ dàng.
-
Lớp mạ Nickel – Crom bền đẹp, sáng bóng, chống bong tróc và gỉ sét.
-
Van đĩa sứ chất lượng cao, chống rò rỉ, đảm bảo tuổi thọ lâu dài.
-
Chất liệu đồng thau cao cấp, an toàn cho sức khỏe người dùng.
3. Lợi ích khi sử dụng
-
Mang lại sự tiện nghi và thoải mái tối đa trong quá trình sử dụng.
-
Nâng cao tính thẩm mỹ, tạo điểm nhấn sang trọng cho phòng tắm.
-
Giúp tiết kiệm nước, thân thiện với môi trường.
-
Độ bền vượt trội, giảm thiểu chi phí bảo trì và thay thế.
4. Ứng dụng
Phù hợp lắp đặt tại gia đình, căn hộ cao cấp, khách sạn, resort và các công trình hiện đại cần sự tiện nghi và thẩm mỹ cao.
5. Thông số kỹ thuật
-
Mã sản phẩm: TLG11201B
-
Loại sản phẩm: Vòi lavabo nóng lạnh 3 lỗ để bàn
-
Chất liệu: Đồng thau cao cấp
-
Lớp mạ: Nickel – Crom sáng bóng
-
Áp lực nước: 0.05MPa ~ 0.75MPa
-
Van điều khiển: Van đĩa sứ chống rò rỉ
-
Thương hiệu: TOTO
-
Xuất xứ: Việt Nam
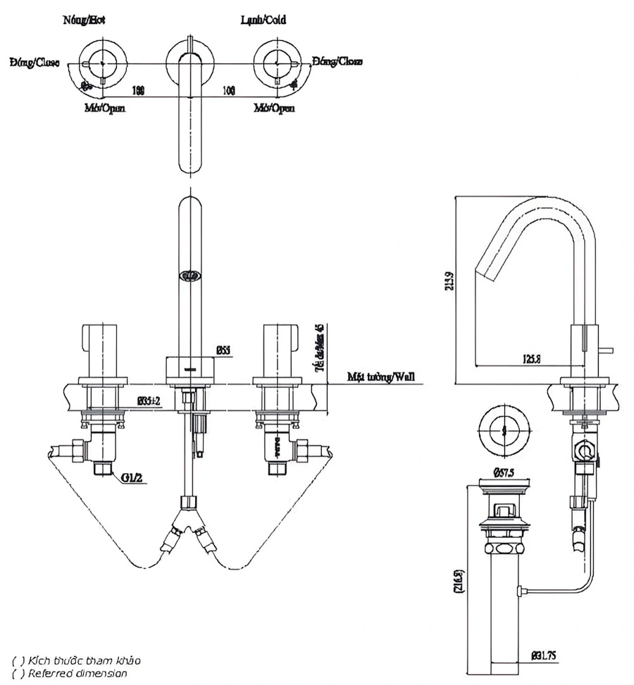
6. Bản vẽ kỹ thuật 2D vòi lavabo tay vặn nóng lạnh TLG11201B

7. Kết luận
Với thiết kế 3 lỗ hiện đại, chất liệu bền bỉ và công nghệ tiên tiến, TOTO TLG11201B là lựa chọn hoàn hảo cho phòng tắm cao cấp. Sản phẩm vừa mang lại sự tiện nghi, vừa tôn vinh phong cách sang trọng, đẳng cấp cho không gian sống.



