TBS04302V/TBW03002B – Bộ sen tắm nóng lạnh cao cấp, sang trọng và đa chức năng
1. Giới thiệu về TBS04302V/TBW03002B
Bộ sen tắm TBS04302V/TBW03002B thuộc dòng LF Single Lever Bath & Shower Set của TOTO. Bao gồm tay gật gù điều chỉnh nhiệt độ TBS04302V và bát sen cầm tay 5 chế độ TBW03002B, sản phẩm mang đến trải nghiệm tắm tiện nghi và an toàn, phù hợp cho mọi không gian từ gia đình đến khách sạn và spa cao cấp.
2. Đặc điểm nổi bật
-
Thiết kế tinh tế, sang trọng, hoàn hảo cho phòng tắm hiện đại.
-
Lớp mạ Nickel‑Chrom dày gấp 3 lần, tăng khả năng chống ăn mòn và độ bền bề mặt.
-
Bát sen cầm tay 5 chế độ, cho trải nghiệm nước linh hoạt và thư giãn.
-
Van gật gù mượt mà, dễ dàng điều chỉnh lưu lượng và nhiệt độ nước.
-
Hoạt động ổn định với áp lực nước từ 0.05 đến 1.0 MPa.
-
Bao gồm giá treo sen tiện lợi cho việc lưu trữ gọn gàng.
3. Ưu điểm khi sử dụng
-
An toàn, tiện lợi: điều chỉnh dễ dàng với công tắc đơn gọn gàng.
-
Bền bỉ với thời gian: vật liệu và lớp mạ chất lượng cao giữ xe đẹp bền lâu.
-
Phong cách thẩm mỹ cao: thiết kế hài hòa, nâng tầm không gian phòng tắm.
-
Đa trải nghiệm với 5 chế độ phun nước: từ dễ chịu đến mạnh mẽ.
-
Thương hiệu đáng tin cậy: chất lượng TOTO – luôn được đánh giá cao.
4. Ứng dụng thực tế
-
Phòng tắm gia đình: tạo tiện nghi an toàn cho mọi thành viên.
-
Khách sạn, resort, spa cao cấp: nâng cao trải nghiệm khách hàng với phong cách và tiện ích.
-
Không gian hạn chế: thiết kế âm tường gọn gàng, tiết kiệm diện tích.
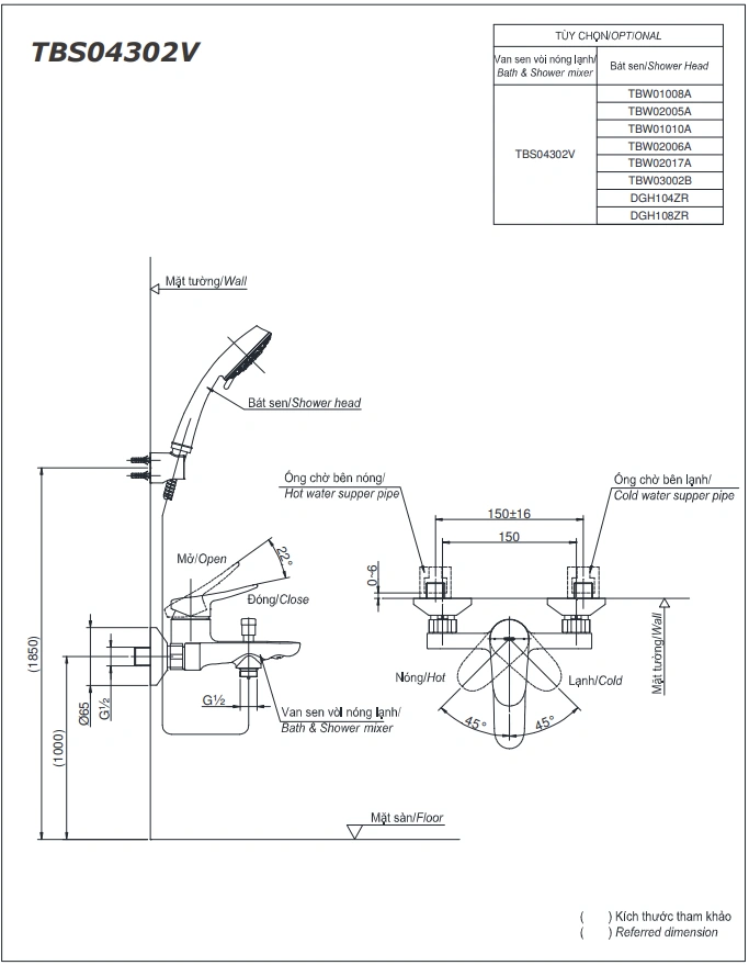
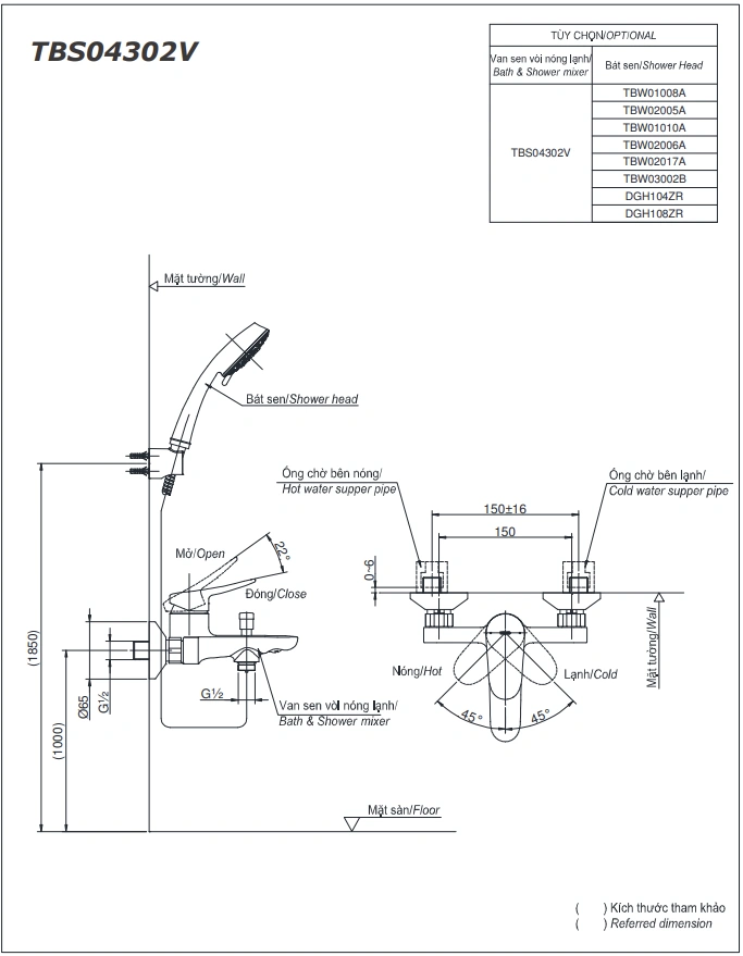
5. Thông số kỹ thuật cơ bản
-
Loại sản phẩm: Bộ sen tắm nóng lạnh (tay gật gù + bát sen 5 chế độ)
-
Mã sản phẩm: TBS04302V/TBW03002B
-
Chất liệu: Đồng thau mạ Nickel‑Chrom; bát sen cầm tay 5 chế độ
-
Áp lực nước hoạt động: 0.05 – 1.0 MPa
-
Tính năng nổi bật: Điều chỉnh lưu lượng & nhiệt độ; bát sen 5 chế độ massage
-
Thiết kế: Âm tường gọn gàng, kèm giá treo sen tiện dụng
6. Bản vẽ kỹ thuật 2D vòi sen tắm nóng lạnh TBS04302V/TBW03002B

7. Kết luận
TBS04302V/TBW03002B là lựa chọn lý tưởng để nâng cấp phòng tắm với sự kết hợp giữa hiệu năng, thẩm mỹ và độ bền. Thiết kế tinh tế, thao tác đơn giản, thêm trải nghiệm phun đa dạng – thực sự là “must-have” cho không gian sống và dịch vụ chất lượng.



