P-Trap TOTO TVLF404 – Phụ Kiện Thải Nước Chữ P Cao Cấp
Dù nhỏ bé nhưng P‑Trap TVLF404 là phần không thể thiếu trong hệ thống thoát nước lavabo. Với thiết kế hiệu quả, chất liệu bền bỉ và dễ lắp đặt, sản phẩm của TOTO đảm bảo nâng cao hiệu suất sử dụng đồng thời giữ gìn thẩm mỹ phòng tắm hiện đại.
1. Thiết kế chữ P – Ngăn mùi hiệu quả, tối ưu không gian
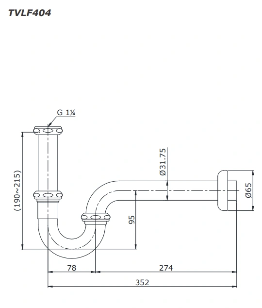
P‑Trap TVLF404 sở hữu thiết kế chữ P truyền thống, giúp giữ nước để tạo hàng rào ngăn mùi từ hệ thống cống. Kích thước tổng dài tới 352 mm, phù hợp với nhiều kiểu bố trí ống thải thông dụng.
2. Chất liệu đồng mạ Ni-Cr – Bền bỉ, bóng sáng
Sản phẩm được chế tạo từ đồng mạ Nickel‑Chrome (Brass plated Ni‑Cr), mang lại độ bền cao, chống oxi hóa và giữ bề mặt sáng bóng lâu dài.
3. Dễ lắp đặt – Thân thiện người dùng và kỹ thuật viên
Với thông số rõ ràng và độ dài chuẩn, TVLF404 dễ dàng kết nối với các đường ống hiện có, giúp tiết kiệm thời gian lắp đặt và bảo trì, phù hợp cho cả thợ chuyên nghiệp và người dùng cuối.
4. Ưu điểm nổi bật
-
Ngăn mùi hiệu quả nhờ thiết kế chữ P.
-
Chất liệu bền bỉ, bề mặt sáng, chống ăn mòn.
-
Lắp đặt nhanh chóng, phù hợp với đa dạng lavabo.
-
Kích thước chuẩn 352 mm — phù hợp hệ thống tiêu chuẩn.
-
Thương hiệu TOTO Nhật Bản – uy tín, chất lượng đáng tin cậy.
5. Thông số kỹ thuật
-
Mã sản phẩm: TOTO TVLF404
-
Loại: P-Trap – Ống thải chữ P cho lavabo
-
Độ dài: 352 mm
-
Chất liệu: Đồng mạ Nickel-Chrome
-
Tính năng: Ngăn mùi, dễ lắp đặt
-
Màu sắc: Bạc kim loại bóng
-
Xuất xứ: Hãng TOTO – Nhật Bản
6. Bản vẽ kỹ thuật 2D ống xả chữ P TVLF404

7. Kết luận
P-Trap TOTO TVLF404 là phụ kiện lý tưởng cho hệ thống lavabo, kết hợp giữa hiệu suất xử lý nước thải và vẻ ngoài tinh tế. Thiết kế dài chuẩn, chất liệu cao cấp và sự dễ dàng khi lắp đặt giúp sản phẩm trở thành sự lựa chọn đáng tin cậy cho phòng tắm của bạn.



