TBS01303B – Tay gật gù nhiệt độ cao cấp, an toàn và tiện lợi
1. Giới thiệu về TBS01303B
TBS01303B là mẫu tay gật gù điều chỉnh nhiệt độ cao cấp, được thiết kế hiện đại với khả năng kiểm soát chính xác dòng nước nóng – lạnh. Sản phẩm vận hành ổn định, bền bỉ, giúp người dùng dễ dàng điều chỉnh lưu lượng và nhiệt độ nước theo nhu cầu, đảm bảo sự an toàn và tiện nghi tối đa. Đây là phụ kiện lý tưởng để kết hợp cùng sen tắm, bồn tắm trong gia đình, khách sạn, resort và spa cao cấp.
2. Đặc điểm nổi bật
TBS01303B có thiết kế gọn gàng, bề mặt mạ crom sáng bóng, chống oxy hóa và chống bám bẩn. Cơ chế gật gù mượt mà, nhẹ nhàng, mang đến trải nghiệm sử dụng dễ dàng, thoải mái.
Sản phẩm được chế tạo từ chất liệu cao cấp, giúp duy trì độ bền vượt trội và khả năng vận hành ổn định theo thời gian.
3. Ưu điểm khi sử dụng TBS01303B
-
Điều chỉnh nhiệt độ linh hoạt: Kiểm soát nóng – lạnh chính xác, dễ dàng.
-
Chất liệu bền chắc: Chống gỉ sét, chống ăn mòn, tuổi thọ lâu dài.
-
An toàn cho người dùng: Hạn chế thay đổi nhiệt độ đột ngột.
-
Thiết kế tinh tế: Sang trọng, dễ dàng kết hợp nhiều không gian phòng tắm.
-
Dễ vệ sinh: Bề mặt sáng bóng, hạn chế bám bẩn.
4. Ứng dụng thực tế
TBS01303B phù hợp lắp đặt trong hệ thống sen tắm, bồn tắm hiện đại. Với hộ gia đình, sản phẩm mang đến sự tiện nghi và an toàn. Trong khách sạn, resort và spa, TBS01303B không chỉ đảm bảo công năng mà còn góp phần nâng cao tính thẩm mỹ và sự sang trọng cho không gian.
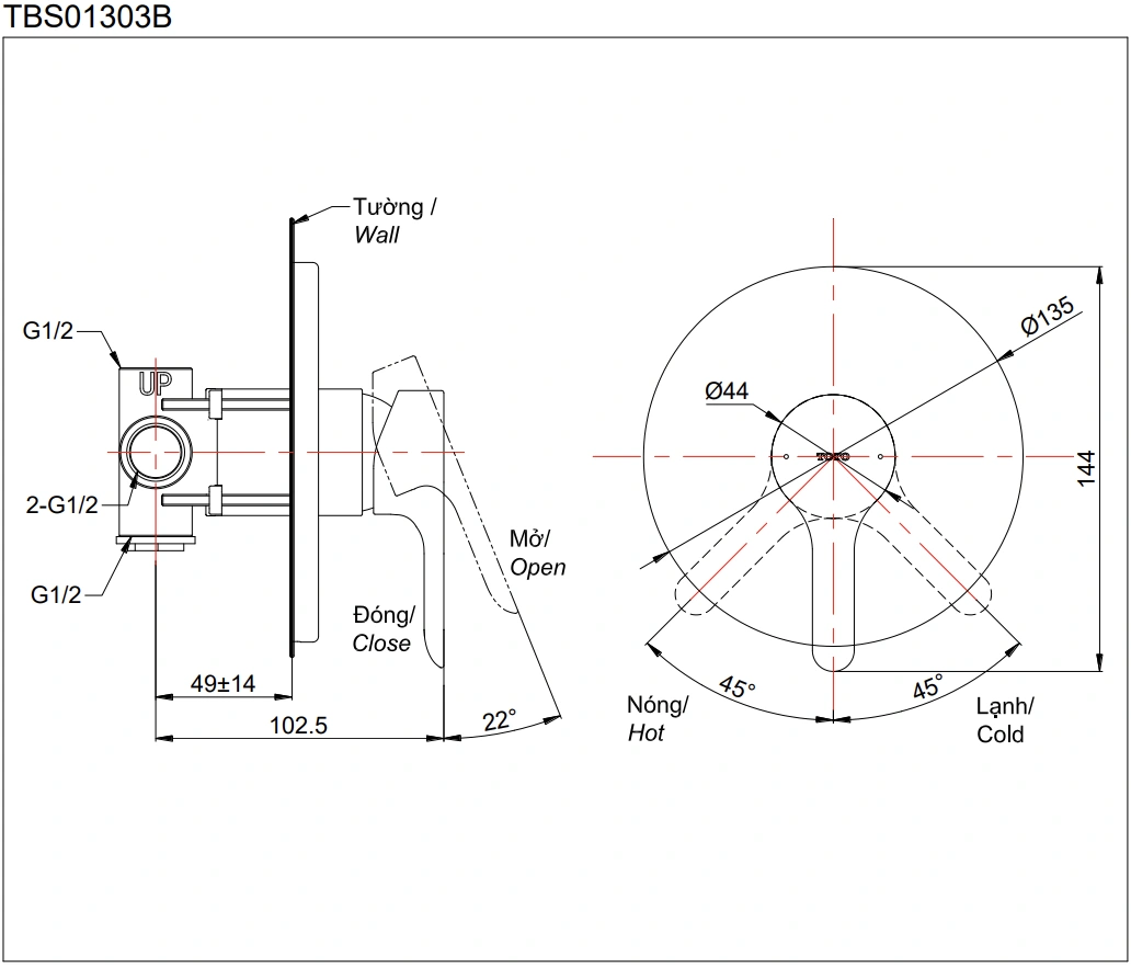
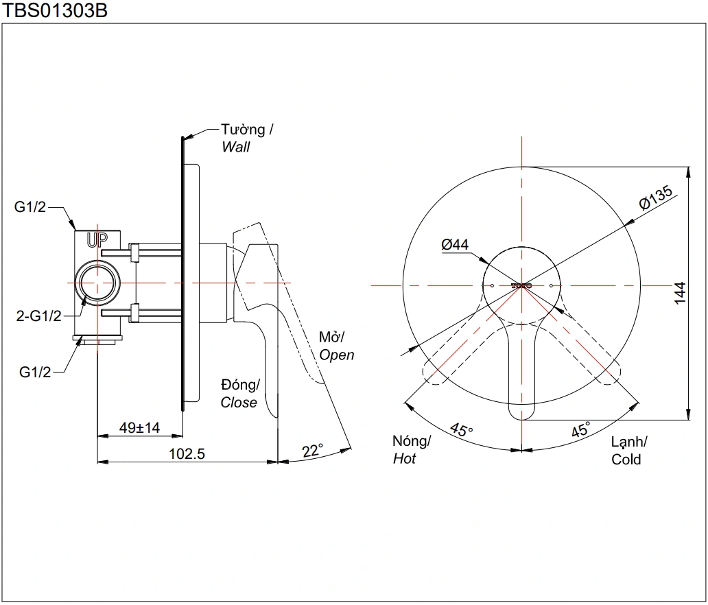
5. Thông số kỹ thuật cơ bản
-
Loại sản phẩm: Tay gật gù điều chỉnh nhiệt độ (nóng – lạnh).
-
Chất liệu: Đồng thau mạ crom hoặc inox 304 cao cấp.
-
Bề mặt: Sáng bóng, chống oxy hóa, dễ lau chùi.
-
Tính năng: Điều chỉnh lưu lượng và nhiệt độ nước nóng – lạnh.
-
Cơ chế vận hành: Gật gù nhẹ nhàng, êm ái.
-
Phụ kiện kèm theo: Gioăng cao su, bộ ốc siết lắp đặt.
6. Bản vẽ kỹ thuật 2D tay gật gù nóng lạnh TBS01303B

7. Kết luận
TBS01303B không chỉ là phụ kiện hỗ trợ mà còn là chi tiết quan trọng trong hệ thống sen tắm, bồn tắm hiện đại. Với thiết kế tinh tế, chất liệu bền chắc và tính năng điều chỉnh nóng lạnh an toàn, sản phẩm mang lại sự tiện nghi, an toàn và thoải mái cho người sử dụng.



