TBS02304B – Tay gật gù nhiệt độ cao cấp, hiện đại và an toàn
1. Giới thiệu về TBS02304B
TBS02304B là mẫu tay gật gù nhiệt độ cao cấp, cho phép điều chỉnh lưu lượng và nhiệt độ nước nóng – lạnh một cách chính xác và an toàn. Sản phẩm được thiết kế tinh tế, bền bỉ, giúp nâng cao sự tiện nghi và tính thẩm mỹ cho phòng tắm. Đây là lựa chọn lý tưởng cho gia đình, khách sạn, resort hay spa cao cấp.
2. Đặc điểm nổi bật
TBS02304B được chế tạo từ chất liệu cao cấp, bề mặt mạ crom sáng bóng, chống oxy hóa, chống bám bẩn. Thiết kế gọn gàng, hiện đại, dễ dàng kết hợp với nhiều kiểu phòng tắm.
Cơ chế gật gù vận hành mượt mà, cho phép người dùng điều chỉnh nhiệt độ nước ổn định, hạn chế thay đổi đột ngột, đảm bảo an toàn tối đa trong quá trình sử dụng.
3. Ưu điểm khi sử dụng TBS02304B
-
Điều chỉnh nóng – lạnh linh hoạt: Kiểm soát nhiệt độ chính xác, nhanh chóng.
-
An toàn tuyệt đối: Ngăn ngừa tình trạng thay đổi nhiệt độ đột ngột.
-
Chất liệu bền chắc: Chống gỉ sét, chống ăn mòn, tuổi thọ cao.
-
Thiết kế hiện đại: Sang trọng, tinh tế, dễ kết hợp nhiều không gian phòng tắm.
-
Dễ vệ sinh: Bề mặt sáng bóng, hạn chế bám bẩn.
4. Ứng dụng thực tế
TBS02304B phù hợp lắp đặt trong hệ thống sen tắm và bồn tắm gia đình cũng như công trình cao cấp. Với hộ gia đình, sản phẩm mang lại sự tiện nghi và an toàn. Trong khách sạn, resort, spa, TBS02304B giúp nâng cao sự sang trọng và trải nghiệm thư giãn cho người dùng.
5. Thông số kỹ thuật cơ bản
-
Loại sản phẩm: Tay gật gù điều chỉnh nhiệt độ (nóng – lạnh).
-
Chất liệu: Đồng thau mạ crom hoặc inox 304 cao cấp.
-
Bề mặt: Sáng bóng, chống oxy hóa, dễ vệ sinh.
-
Tính năng: Điều chỉnh nhiệt độ và lưu lượng nước linh hoạt.
-
Cơ chế vận hành: Gật gù nhẹ nhàng, êm ái.
-
Phụ kiện kèm theo: Gioăng cao su, bộ ốc siết lắp đặt.
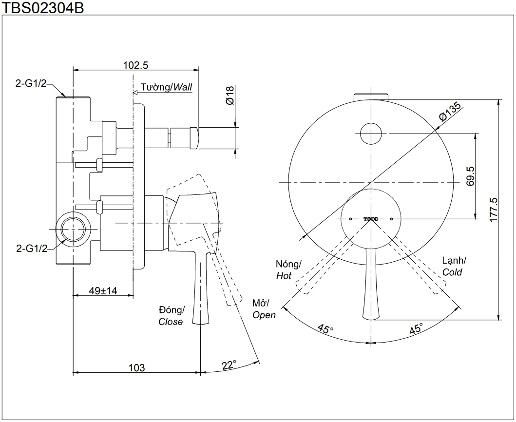
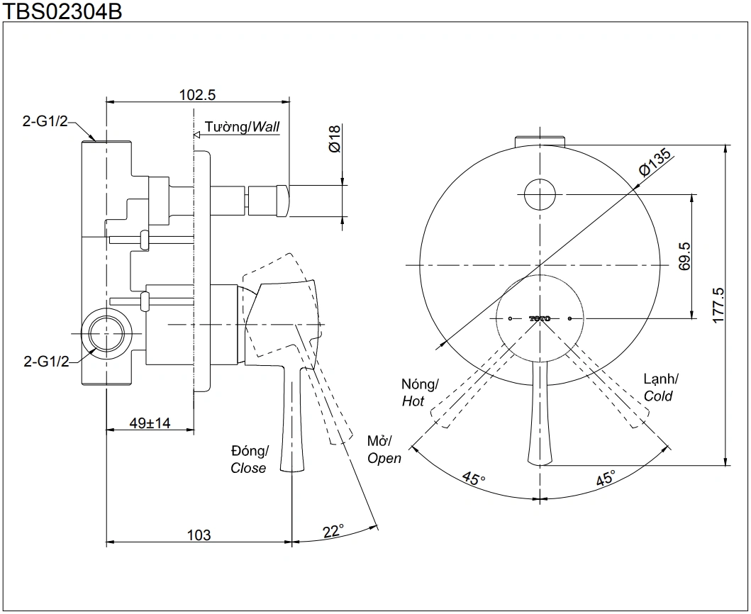
6. Bản vẽ kỹ thuật 2D tay gật gù nóng lạnh TBS02304B

7. Kết luận
TBS02304B không chỉ là phụ kiện điều khiển nước mà còn là chi tiết nâng tầm không gian phòng tắm. Với thiết kế tinh tế, chất liệu bền bỉ và khả năng điều chỉnh nhiệt độ an toàn, sản phẩm mang đến sự tiện nghi, sang trọng và trải nghiệm thư giãn trọn vẹn cho người sử dụng.



