Vòi Lavabo Nóng Lạnh Gắn Tường TOTO TLG03308BB
1. Giới thiệu sản phẩm
TOTO TLG03308BB là mẫu vòi lavabo gắn tường cao cấp thuộc bộ sưu tập GM Series. Với thiết kế vuông vắn hiện đại, sản phẩm mang đến sự sang trọng, tinh tế và tối ưu diện tích sử dụng, phù hợp với nhiều không gian phòng tắm cao cấp.
2. Đặc điểm nổi bật
-
Thiết kế gắn tường giúp tiết kiệm diện tích, tối ưu không gian sử dụng.
-
Kiểu dáng vuông khỏe khoắn, hiện đại, mang lại nét sang trọng cho phòng tắm.
-
Tay gạt gật gù tiện lợi, dễ dàng điều chỉnh nước nóng lạnh.
-
Lớp mạ Nickel – Crom sáng bóng, bền đẹp, chống bong tróc và gỉ sét.
-
Van đĩa sứ chất lượng cao, chống rò rỉ, tăng tuổi thọ sản phẩm.
3. Lợi ích khi sử dụng
-
Mang lại sự tiện nghi tối đa, dễ dàng sử dụng hằng ngày.
-
Giúp tiết kiệm diện tích, phù hợp cho cả không gian nhỏ và lớn.
-
Bền bỉ, tiết kiệm chi phí bảo trì và thay thế.
-
Tăng tính thẩm mỹ, nâng tầm đẳng cấp cho phòng tắm.
4. Ứng dụng
Phù hợp lắp đặt cho gia đình, căn hộ cao cấp, khách sạn, resort và các công trình hiện đại yêu cầu sự tinh tế, gọn gàng và sang trọng.
5. Thông số kỹ thuật
-
Mã sản phẩm: TLG03308BB
-
Loại: Vòi lavabo nóng lạnh gắn tường
-
Bộ sưu tập: GM Series
-
Chất liệu: Đồng thau cao cấp
-
Lớp mạ: Nickel – Crom bền bỉ
-
Vòi lavabo gắn TLG03308BB
Áp lực nước: 0.05MPa ~ 0.75MPa -
Van điều khiển: Van đĩa sứ chống rò rỉ
-
Thương hiệu: TOTO
-
Xuất xứ: Việt Nam
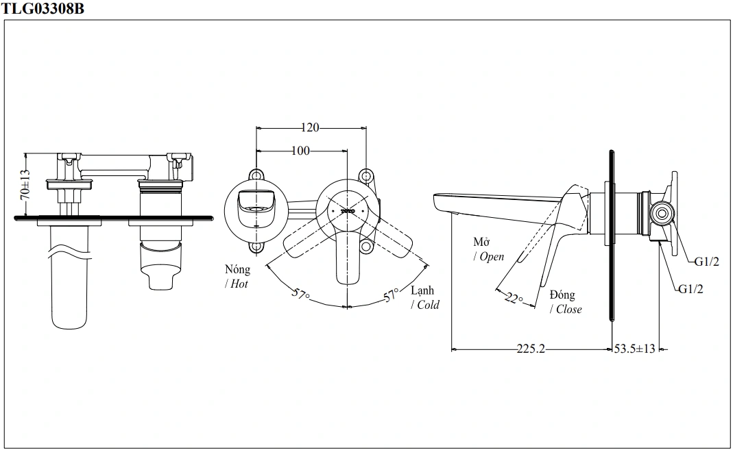
6. Bản vẽ kỹ thuật 2D vòi lavabo gật gù nóng lạnh TLG03308BB

7. Kết luận
Với thiết kế hiện đại, chất liệu bền bỉ và công nghệ tiên tiến, TOTO TLG03308BB là lựa chọn hoàn hảo cho không gian phòng tắm cao cấp. Sản phẩm mang đến sự tiện nghi, tiết kiệm và góp phần nâng tầm không gian sống.



