Vòi Lavabo Nóng Lạnh Gắn Tường TOTO TLG01309BB
1. Giới thiệu sản phẩm
Vòi lavabo nóng lạnh TOTO TLG01309BB là mẫu vòi gắn tường cao cấp với thiết kế hiện đại và tinh tế. Sản phẩm mang phong cách tối giản, sang trọng cùng gam màu đen mờ cá tính, giúp không gian phòng tắm trở nên nổi bật và đẳng cấp.
2. Đặc điểm nổi bật
-
Thiết kế gắn tường tiết kiệm diện tích, mang lại sự gọn gàng và tinh tế.
-
Kiểu dáng thanh thoát, hiện đại, phù hợp nhiều loại lavabo.
-
Lớp mạ đen mờ (Matte Black) độc đáo, chống bong tróc và ăn mòn.
-
Tay gạt gật gù vận hành êm ái, điều chỉnh nóng lạnh chính xác.
-
Van đĩa sứ chất lượng cao, bền bỉ, chống rò rỉ hiệu quả.
3. Lợi ích khi sử dụng
-
Mang đến sự tiện nghi và thoải mái khi sử dụng hằng ngày.
-
Nâng tầm thẩm mỹ, tạo điểm nhấn khác biệt cho phòng tắm.
-
Tiết kiệm nước, thân thiện môi trường và giảm chi phí sử dụng.
-
Độ bền cao, ít hư hỏng, tiết kiệm chi phí bảo trì.
4. Ứng dụng
Phù hợp lắp đặt tại gia đình, khách sạn, resort, căn hộ cao cấp và các công trình hiện đại yêu cầu sự tinh tế và sang trọng.
5. Thông số kỹ thuật
-
Mã sản phẩm: TLG01309BB
-
Loại sản phẩm: Vòi lavabo nóng lạnh gắn tường
-
Chất liệu: Đồng thau cao cấp
-
Lớp mạ: Đen mờ (Matte Black)
-
Áp lực nước: 0.05MPa ~ 0.75MPa
-
Van điều khiển: Van đĩa sứ chống rò rỉ
-
Thương hiệu: TOTO
-
Xuất xứ: Việt Nam
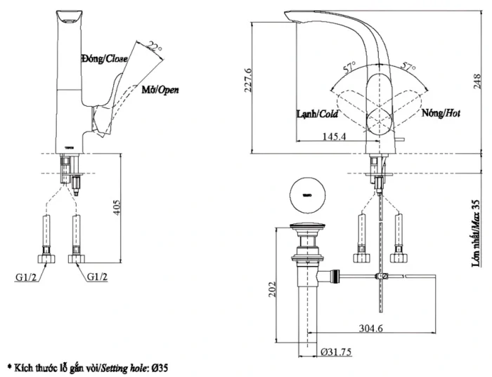
6. Bản vẽ kỹ thuật 2D vòi lavabo gật gù nóng lạnh TLG01309BB

7. Kết luận
Với thiết kế gắn tường gọn gàng, lớp mạ đen mờ sang trọng và chất liệu bền bỉ, TOTO TLG01309BB là lựa chọn lý tưởng cho không gian phòng tắm cao cấp. Sản phẩm không chỉ mang lại sự tiện nghi mà còn khẳng định phong cách hiện đại và cá tính cho gia chủ.



