TBG07202A – Vòi xả bồn tắm cao cấp, hiện đại và bền bỉ
1. Giới thiệu về TBG07202A
TBG07202A là mẫu vòi xả bồn tắm cao cấp với thiết kế hiện đại, tinh tế và chất liệu bền chắc. Sản phẩm mang lại khả năng xả nước mạnh mẽ, ổn định và êm ái, đồng thời góp phần nâng cao thẩm mỹ cho không gian phòng tắm. Đây là lựa chọn lý tưởng cho gia đình, khách sạn, resort và spa cao cấp.
2. Đặc điểm nổi bật
TBG07202A được chế tạo từ chất liệu cao cấp, bề mặt mạ crom sáng bóng, chống gỉ sét và chống bám bẩn. Kiểu dáng sang trọng, gọn gàng giúp sản phẩm dễ dàng kết hợp với nhiều loại bồn tắm khác nhau.
Ngoài ra, sản phẩm được tối ưu để mang lại lưu lượng nước ổn định, xả nhanh và êm ái, giúp tiết kiệm thời gian và nâng cao trải nghiệm thư giãn cho người sử dụng.
3. Ưu điểm khi sử dụng TBG07202A
-
Xả nước nhanh và đều: Lưu lượng mạnh mẽ, ổn định, tiết kiệm thời gian.
-
Độ bền cao: Chất liệu chống gỉ sét, chống oxy hóa và ăn mòn.
-
Thẩm mỹ sang trọng: Kiểu dáng tinh tế, phù hợp nhiều phong cách phòng tắm.
-
Dễ vệ sinh: Bề mặt sáng bóng, ít bám bẩn, lau chùi dễ dàng.
-
Ứng dụng đa dạng: Gia đình, khách sạn, resort, spa cao cấp.
4. Ứng dụng thực tế
TBG07202A được ứng dụng phổ biến trong các phòng tắm gia đình và công trình cao cấp. Với hộ gia đình, sản phẩm mang đến sự tiện nghi và sang trọng. Trong khách sạn, resort hay spa, TBG07202A không chỉ đảm bảo công năng mà còn tạo điểm nhấn sang trọng, nâng cao trải nghiệm thư giãn cho người dùng.
5. Thông số kỹ thuật cơ bản
-
Loại sản phẩm: Vòi xả bồn tắm.
-
Chất liệu: Đồng thau mạ crom hoặc inox 304 cao cấp.
-
Bề mặt: Sáng bóng, chống gỉ sét, chống bám bẩn.
-
Kiểu lắp đặt: Gắn tường hoặc gắn trực tiếp vào bồn.
-
Lưu lượng nước: Xả nhanh, mạnh, êm ái.
-
Phụ kiện kèm theo: Bộ ốc siết, gioăng cao su, dây nối.
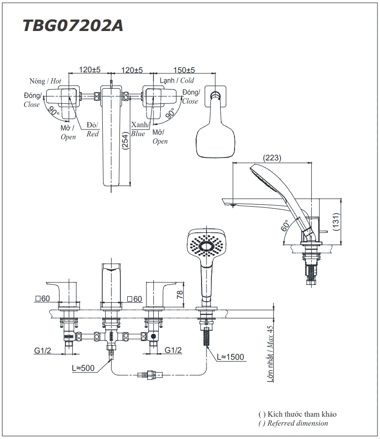
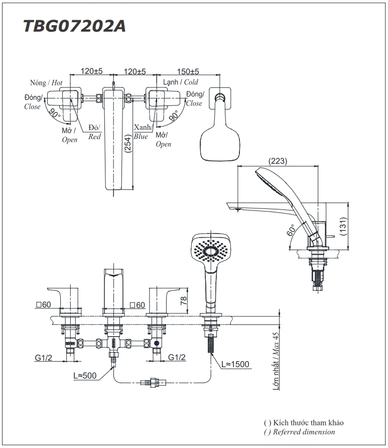
6. Bản vẽ kỹ thuật 2D vòi xả bồn tắm nóng lạnh TBG07202A

7. Kết luận
TBG07202A không chỉ là một chiếc vòi xả bồn tắm tiện ích mà còn là chi tiết nâng cao giá trị thẩm mỹ cho phòng tắm. Với thiết kế hiện đại, chất liệu bền bỉ và khả năng vận hành ổn định, sản phẩm mang lại sự tiện nghi, an toàn và sang trọng cho người sử dụng.



