TBG10202A – Vòi xả bồn tắm cao cấp, hiện đại và bền bỉ
1. Giới thiệu về TBG10202A
TBG10202A là mẫu vòi xả bồn tắm cao cấp được thiết kế hiện đại, tinh tế và bền chắc. Với chất liệu cao cấp cùng khả năng vận hành ổn định, sản phẩm giúp xả nước nhanh chóng, êm ái, đồng thời tạo điểm nhấn sang trọng cho không gian phòng tắm. Đây là lựa chọn lý tưởng cho gia đình, khách sạn, resort và spa cao cấp.
2. Đặc điểm nổi bật
TBG10202A sở hữu thiết kế nhỏ gọn, sang trọng, bề mặt mạ crom sáng bóng chống gỉ sét và dễ vệ sinh. Kiểu dáng hiện đại, phù hợp với nhiều loại bồn tắm và không gian phòng tắm.
Đặc biệt, sản phẩm mang lại lưu lượng nước mạnh mẽ, đều và êm ái, giúp tiết kiệm thời gian khi làm đầy bồn, đồng thời nâng cao trải nghiệm thư giãn của người dùng.
3. Ưu điểm khi sử dụng TBG10202A
-
Xả nước nhanh và đều: Lưu lượng mạnh mẽ, ổn định.
-
Độ bền cao: Chất liệu cao cấp, chống oxy hóa và ăn mòn.
-
Thẩm mỹ tinh tế: Thiết kế sang trọng, phù hợp nhiều phong cách nội thất.
-
Dễ vệ sinh: Bề mặt sáng bóng, ít bám bẩn.
-
Ứng dụng đa dạng: Gia đình, khách sạn, resort, spa cao cấp.
4. Ứng dụng thực tế
TBG10202A được ứng dụng trong nhiều không gian phòng tắm cao cấp. Với hộ gia đình, sản phẩm mang lại sự tiện nghi và sang trọng. Trong khách sạn, resort hoặc spa, TBG10202A không chỉ đáp ứng công năng mà còn góp phần nâng cao tính thẩm mỹ, mang lại trải nghiệm thư giãn tuyệt vời cho người dùng.
5. Thông số kỹ thuật cơ bản
-
Loại sản phẩm: Vòi xả bồn tắm.
-
Chất liệu: Đồng thau mạ crom hoặc inox 304 cao cấp.
-
Bề mặt: Sáng bóng, chống gỉ sét, chống bám bẩn.
-
Kiểu lắp đặt: Gắn tường hoặc gắn trực tiếp bồn tắm.
-
Lưu lượng nước: Xả nhanh, mạnh, êm ái.
-
Phụ kiện kèm theo: Bộ ốc siết, gioăng cao su, dây kết nối.
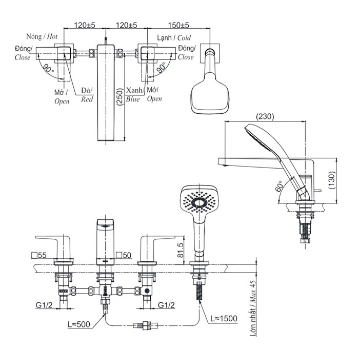
6. Bản vẽ kỹ thuật 2D vòi xả bồn tắm nóng lạnh TBG10202A

7. Kết luận
TBG10202A không chỉ là thiết bị xả nước mà còn là chi tiết nâng cao thẩm mỹ cho phòng tắm. Với thiết kế hiện đại, chất liệu bền bỉ và khả năng xả nước ổn định, sản phẩm mang lại sự tiện nghi, an toàn và sang trọng cho người dùng.



