Bộ bàn cầu TOTO CW162/TC384CVK/WH172A/MB174P#WH – Giải pháp vệ sinh tối ưu cho không gian hiện đại
Bộ sản phẩm TOTO CW162/TC384CVK/WH172A/MB174P#WH là sự kết hợp hoàn hảo giữa thiết kế tinh tế, công nghệ tiên tiến và độ bền vượt trội. Với kiểu dáng treo tường sang trọng cùng hệ thống két âm tường thông minh, sản phẩm mang đến giải pháp tối ưu cho những phòng tắm hiện đại, tiết kiệm diện tích nhưng vẫn đảm bảo tiện nghi và thẩm mỹ.
1. Thiết kế treo tường gọn gàng – Nâng tầm không gian
-
Kiểu dáng tối giản, sang trọng: Thiết kế treo tường giúp tạo cảm giác không gian rộng rãi, hiện đại.
-
Bề mặt men CEFIONTECT: Lớp men siêu mịn, hạn chế tối đa bám bẩn, giúp vệ sinh nhanh chóng và duy trì vẻ sáng bóng lâu dài.
-
Gam màu trắng thanh lịch: Dễ dàng kết hợp với nhiều phong cách nội thất khác nhau.
-
Két âm tường WH172A: Tích hợp gọn gàng trong tường, vừa thẩm mỹ vừa tiết kiệm diện tích.
2. Bộ sản phẩm đồng bộ – Tiện nghi toàn diện
Bộ sản phẩm bao gồm:
-
Bàn cầu treo tường CW162 – Thiết kế chắc chắn, nhỏ gọn, dễ lắp đặt.
-
Nắp đóng êm TC384CVK – Cơ chế đóng nhẹ nhàng, không gây tiếng ồn và tăng tuổi thọ nắp.
-
Két âm tường WH172A – Hệ thống két nước âm tường thông minh, dễ bảo trì.
-
Mặt nhấn MB174P#WH – Mặt nhấn xả kép với 2 chế độ tiết kiệm nước hiệu quả.
3. Công nghệ tiên tiến – Đem lại sự khác biệt
-
Hệ thống xả Tornado Flush: Dòng nước xoáy mạnh mẽ, cuốn trôi mọi vết bẩn chỉ trong một lần xả, đồng thời giảm tiếng ồn.
-
Công nghệ CEFIONTECT: Ngăn chất bẩn và vi khuẩn bám dính, duy trì bề mặt luôn sạch sẽ.
-
Tiết kiệm nước tối ưu: Xả đôi 3L/4.5L đáp ứng tiêu chuẩn tiết kiệm nước quốc tế.
-
Cơ chế nắp đóng êm: Bảo vệ nắp và tạo trải nghiệm sử dụng thoải mái hơn.
4. An toàn – Bền bỉ – Dễ bảo trì
-
Kết cấu chắc chắn: Chịu được tải trọng lớn, phù hợp cho cả gia đình và công trình công cộng.
-
Chất liệu cao cấp: Chống ẩm, chống mài mòn và duy trì độ bền theo thời gian.
-
Dễ bảo trì: Két âm tường thiết kế thuận tiện cho việc kiểm tra và sửa chữa khi cần.
-
An toàn cho sức khỏe: Chất liệu sứ cao cấp, không chứa tạp chất độc hại.
5. Thông số kỹ thuật
-
Mã sản phẩm: CW162/TC384CVK/WH172A/MB174P#WH
-
Kiểu dáng: Bàn cầu treo tường
-
Hệ thống xả: Tornado Flush
-
Chế độ xả: 2 chế độ (3L/4.5L)
-
Công nghệ men: CEFIONTECT chống bám bẩn
-
Màu sắc: Trắng (#WH)
-
Xuất xứ: TOTO chính hãng – Nhật Bản hoặc nhà máy tiêu chuẩn quốc tế
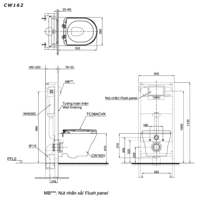
6. Bản vẽ kỹ thuật 2D bồn cầu CW162/TC384CVK/WH172A/MB174P#WH

7. Lợi ích khi lựa chọn CW162/TC384CVK/WH172A/MB174P#WH
-
Tiết kiệm không gian: Phù hợp với phòng tắm diện tích nhỏ.
-
Tăng tính thẩm mỹ: Tạo điểm nhấn hiện đại, sang trọng cho không gian.
-
Tiết kiệm chi phí vận hành: Giảm lượng nước tiêu thụ, giảm bảo dưỡng.
-
Trải nghiệm sử dụng thoải mái: Chiều cao, độ cong và thiết kế tối ưu.
8. Lý do nên sở hữu sản phẩm
Bộ TOTO CW162/TC384CVK/WH172A/MB174P#WH không chỉ là thiết bị vệ sinh thông thường mà còn là giải pháp nâng tầm chất lượng sống. Với sự kết hợp của thiết kế tinh tế – công nghệ hiện đại – độ bền cao, đây là lựa chọn lý tưởng cho mọi gia đình và công trình cao cấp.



