P-Trap TOTO TVLF402 – Sản Phẩm Phụ Kiện Thải Nước Chất Lượng Cao
P‑Trap là chi tiết nhỏ nhưng không thể thiếu trong hệ thống thoát nước lavabo. Model TVLF402 của TOTO nổi bật với chất lượng cao, thiết kế tinh tế và khả năng sử dụng lâu dài — sự lựa chọn tin cậy cho phòng tắm hiện đại.
1. Thiết kế chữ P – Tối ưu không gian, ngăn mùi hiệu quả
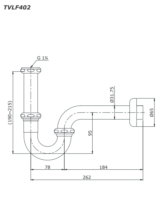
P‑Trap TVLF402 có cấu trúc chữ P truyền thống, giúp lưu giữ nước tạo rào chắn mùi lên xuống từ hệ thống thoát, đồng thời phù hợp với không gian gầm chậu hạn chế, thuận tiện cho lắp đặt và bảo trì.
2. Chất liệu bền bỉ – Đồng mạ Nickel-Chrome cao cấp
TVLF402 được làm từ đồng mạ Nickel‑Chrome (Brass plated Ni‑Cr), mang lại bề mặt sáng bóng, chống ăn mòn, giữ độ bền chất lượng lâu dài.
3. Dễ lắp đặt và sử dụng – Thân thiện với thợ và người dùng
Thiết kế tinh giản giúp P‑Trap dễ dàng đấu nối với đa số lavabo phổ biến. Sản phẩm có chiều dài tiêu chuẩn 262 mm — đảm bảo tính tương thích cao và dễ tích hợp với hệ thống cũ.
4. Ưu điểm nổi bật
-
Cấu tạo chữ P giúp ngăn mùi và bảo vệ hệ thống thoát nước hiệu quả.
-
Chất liệu đồng mạ Ni‑Cr cao cấp, sáng đẹp và chống oxy hóa tốt.
-
Dễ lắp đặt và bảo trì, phù hợp với nhiều đối tượng người dùng.
-
Loại 262 mm linh hoạt, phù hợp hầu hết các cấu hình lavabo.
-
Thương hiệu TOTO Nhật Bản – cam kết chất lượng, uy tín toàn cầu.
5. Thông số kỹ thuật
-
Mã sản phẩm: TOTO TVLF402
-
Loại: P-Trap – Ống thải chữ P dùng cho lavabo
-
Kích thước: 262 mm
-
Chất liệu: Đồng mạ Nickel-Chrome
-
Tính năng: Ngăn mùi hiệu quả, dễ lắp đặt
-
Màu sắc: Bạc kim loại (mạ sáng)
-
Xuất xứ: Chính hãng TOTO
-
Thương hiệu: TOTO – Nhật Bản
6. Bản vẽ kỹ thuật 2D ống xả chữ P TVLF402

7. Kết luận
P-Trap TOTO TVLF402 là lựa chọn tối ưu cho mọi không gian phòng tắm cần phụ kiện thải nước chất lượng và dễ sử dụng. Thiết kế chắc chắn, chất liệu bền đẹp cùng thương hiệu uy tín mang lại sự an tâm và hiệu suất lâu dài cho hệ thống lavabo của bạn.



