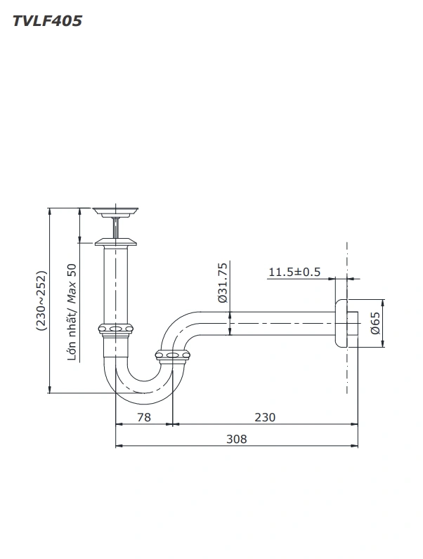
P-Trap TOTO TVLF405 – Ống Thải Chữ P Bền Bỉ, Chất Lượng Cao
Dù nhỏ gọn, TVLF405 là bộ phận quan trọng trong hệ thống thoát nước lavabo; kết hợp giữa thiết kế chương P tối ưu, chất liệu bền và khả năng lắp đặt nhanh — là lựa chọn đáng tin cậy để đảm bảo hiệu năng và thẩm mỹ cho phòng tắm của bạn.
1. Thiết kế chữ P – Ngăn mùi hiệu quả và tối ưu không gian
P‑Trap TVLF405 có bộ hình chữ P truyền thống, giúp giữ nước để tạo hàng rào ngăn mùi từ hệ thống cống. Kích thước chiều dài tiêu chuẩn 308 mm phù hợp với nhiều cấu hình lắp đặt hiện nay.
2. Chất liệu đồng mạ Ni-Cr cao cấp – Bền đẹp lâu dài
Được làm từ đồng thau mạ Nicke‑Chrome, sản phẩm có bề mặt sáng bóng, chống oxy hóa và giữ độ bền vượt trội theo thời gian.
TVLF405 được thiết kế chuẩn, dễ dàng lắp ghép với đa số lavabo thông dụng, giúp tiết kiệm thời gian và phù hợp cả với người dùng phổ thông lẫn thợ chuyên nghiệp.
4. Ưu điểm nổi bật
-
Ngăn mùi hiệu quả nhờ cấu tạo chữ P.
-
Chất liệu đồng thau mạ Cr‑Ni bền và dễ vệ sinh.
-
Dễ dàng lắp đặt, phù hợp với nhiều loại lavabo.
-
Độ dài 308 mm – tối ưu cho không gian gầm lavabo.
-
Thương hiệu TOTO Nhật Bản – đảm bảo chất lượng và uy tín.
5. Thông số kỹ thuật
-
Mã sản phẩm: TOTO TVLF405
-
Loại: P-Trap – Ống thải chữ P cho lavabo
-
Chiều dài: 308 mm
-
Chất liệu: Đồng thau mạ Nickel-Chrome
-
Tính năng chính: Ngăn mùi, dễ lắp đặt
-
Màu sắc: Bạc kim loại sáng
-
Xuất xứ: Chính hãng TOTO – Nhật Bản
6. Bản vẽ kỹ thuật 2D ống xả chữ P TVLF405

7. Kết luận
P-Trap TOTO TVLF405 là giải pháp tối ưu giúp hệ thống lavabo trở nên vệ sinh, gọn gàng và đáng tin cậy. Với thiết kế chữ P hiệu quả, chất liệu cao cấp, và kích thước phù hợp, sản phẩm không chỉ đảm bảo chức năng mà còn nâng cao tính thẩm mỹ cho không gian phòng tắm của bạn.



