Vòi Cảm Ứng TOTO TLE26006V
1. Giới thiệu sản phẩm
Vòi cảm ứng TOTO TLE26006V là giải pháp hiện đại cho không gian phòng tắm, mang lại sự tiện nghi và vệ sinh tối đa. Với thiết kế sang trọng, công nghệ cảm ứng thông minh, sản phẩm phù hợp cho cả gia đình và công trình công cộng.
2. Đặc điểm nổi bật
-
Công nghệ cảm ứng hồng ngoại hiện đại, kích hoạt nhanh và chính xác.
-
Thiết kế tối giản, tinh tế, dễ dàng kết hợp với nhiều loại lavabo.
-
Tiết kiệm nước vượt trội nhờ cơ chế tự động đóng/mở khi sử dụng.
-
Lớp mạ Nickel – Crom sáng bóng, bền bỉ, chống gỉ sét.
-
Vệ sinh tối ưu, hạn chế tiếp xúc tay trực tiếp với vòi.
3. Lợi ích khi sử dụng
-
Đem lại sự tiện nghi và an toàn trong quá trình sử dụng.
-
Giảm thiểu tình trạng lãng phí nước.
-
Giữ gìn vệ sinh tốt hơn, đặc biệt trong môi trường công cộng.
-
Nâng cao tính thẩm mỹ và hiện đại cho phòng tắm.
4. Ứng dụng
Sản phẩm phù hợp lắp đặt tại các công trình công cộng như khách sạn, trung tâm thương mại, nhà hàng, văn phòng, cũng như phòng tắm gia đình cao cấp.
5. Thông số kỹ thuật
-
Mã sản phẩm: TLE26006V
-
Loại vòi: Vòi cảm ứng gắn chậu
-
Chất liệu: Đồng thau
-
Lớp mạ: Nickel – Crom cao cấp
-
Áp lực nước: 0.05MPa ~ 0.75MPa
-
Nguồn điện: AC 220V / DC (tùy phiên bản)
-
Thương hiệu: TOTO
-
Xuất xứ: Việt Nam
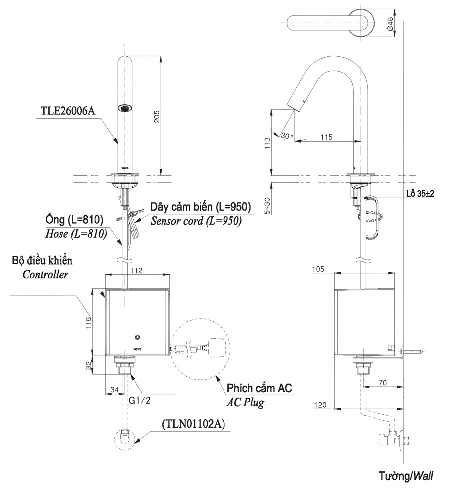
6. Bản vẽ kỹ thuật 2D vòi lavabo cảm ứng TLE26006V

7. Kết luận
TOTO TLE26006V là lựa chọn hoàn hảo cho những ai mong muốn sự tiện nghi, tiết kiệm và vệ sinh tối ưu. Sản phẩm không chỉ nâng tầm không gian phòng tắm mà còn khẳng định sự hiện đại và đẳng cấp trong từng chi tiết.



