Vòi Cảm Ứng TOTO TLE27002V – Hiện Đại, An Toàn
1. Giới thiệu sản phẩm
Vòi cảm ứng TOTO TLE27002V là thiết bị vệ sinh cao cấp, ứng dụng công nghệ cảm biến tự động tiên tiến, giúp hạn chế tiếp xúc trực tiếp, đảm bảo vệ sinh và an toàn cho người dùng. Với thiết kế sang trọng cùng tính năng tiết kiệm nước, sản phẩm là lựa chọn tối ưu cho không gian phòng tắm hiện đại.
2. Thiết kế tinh tế
TLE27002V được thiết kế gọn gàng, tinh xảo với bề mặt sáng bóng, phù hợp lắp đặt ở nhiều loại chậu rửa khác nhau. Kiểu dáng thanh lịch mang đến sự hài hòa cho không gian nội thất, từ gia đình đến các công trình công cộng, khách sạn, nhà hàng.
3. Chất liệu cao cấp
Sản phẩm được chế tác từ đồng thau nguyên chất với độ bền cao, an toàn cho sức khỏe. Bề mặt phủ Cr-Ni sáng bóng chống gỉ sét, chống ăn mòn, duy trì độ mới lâu dài và dễ vệ sinh.
4. Ưu điểm nổi bật
-
Công nghệ cảm ứng tự động, hạn chế tiếp xúc.
-
Thiết kế thanh lịch, hiện đại.
-
Chất liệu đồng thau nguyên chất, bền chắc.
-
Bề mặt mạ Cr-Ni sáng bóng, chống oxy hóa.
-
Tiết kiệm nước, thân thiện môi trường.
-
Phù hợp cho gia đình, văn phòng, khách sạn, trung tâm thương mại.
5. Thông số kỹ thuật
-
Mã sản phẩm: TOTO TLE27002V
-
Loại sản phẩm: Vòi chậu cảm ứng
-
Chất liệu: Đồng thau nguyên chất
-
Lớp mạ: Cr-Ni sáng bóng
-
Nguồn điện: AC/DC (tùy chọn)
-
Áp lực nước: 0.05MPa ~ 0.75MPa
-
Màu sắc: Bạc sáng (Chrome)
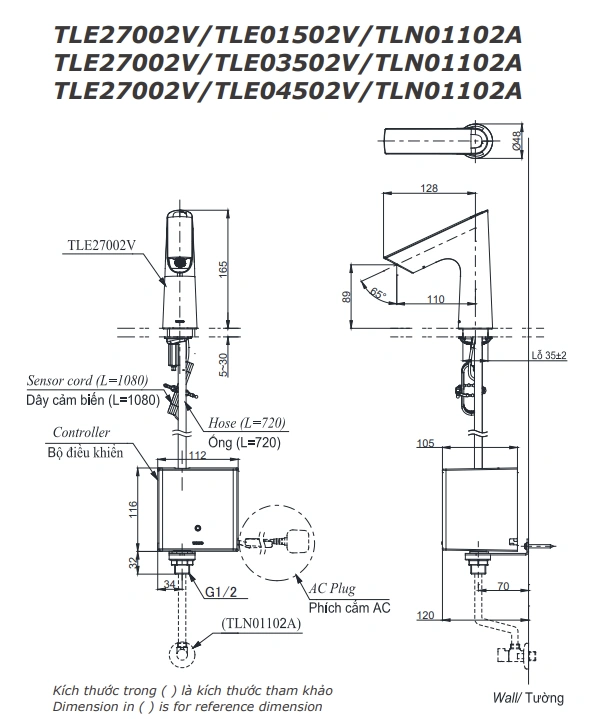
6. Bản vẽ kỹ thuật 2D vòi lavabo cảm ứng TLE27002V

7. Kết luận
Với thiết kế hiện đại, chất liệu bền bỉ và công nghệ cảm ứng tiên tiến, TOTO TLE27002V là lựa chọn lý tưởng cho không gian phòng tắm sang trọng và tiện nghi. Sản phẩm vừa nâng cao trải nghiệm sử dụng, vừa đảm bảo an toàn và vệ sinh tối ưu.



