Vòi Lavabo Cảm Ứng TOTO TLE26007V
1. Giới thiệu sản phẩm
Vòi lavabo cảm ứng TOTO TLE26007V thuộc dòng sản phẩm cao cấp, ứng dụng công nghệ tiên tiến giúp tự động cấp và ngắt nước khi có/không có người sử dụng. Thiết kế hiện đại, nhỏ gọn, phù hợp cho cả công trình dân dụng và thương mại, mang lại sự tiện nghi, tiết kiệm nước và đảm bảo vệ sinh tối ưu.
2. Đặc điểm nổi bật
-
Công nghệ cảm ứng hồng ngoại thông minh, tự động cấp/ngắt nước.
-
Thiết kế tinh giản, hiện đại, dễ dàng kết hợp với nhiều loại lavabo.
-
Lớp mạ Nickel – Crom sáng bóng, chống bong tróc và bám bẩn.
-
Tiết kiệm nước tối đa nhờ khả năng tự động điều chỉnh dòng chảy.
-
Vận hành bằng pin, an toàn và tiện lợi, không cần nguồn điện trực tiếp.
3. Lợi ích khi sử dụng
-
Mang đến sự tiện nghi, hiện đại cho không gian phòng tắm.
-
Đảm bảo vệ sinh, hạn chế tiếp xúc trực tiếp với vòi.
-
Tiết kiệm nước và chi phí vận hành lâu dài.
-
Độ bền cao, ít hư hỏng và giảm chi phí bảo dưỡng.
4. Ứng dụng
Phù hợp cho gia đình, khách sạn, trung tâm thương mại, nhà hàng, resort và các công trình công cộng cần sự hiện đại, tiện nghi và tiết kiệm năng lượng.
5. Thông số kỹ thuật
-
Mã sản phẩm: TLE26007V
-
Loại sản phẩm: Vòi lavabo cảm ứng (Sensor faucet)
-
Chất liệu: Đồng thau cao cấp
-
Lớp mạ: Nickel – Crom bền bỉ
-
Nguồn điện: Pin (không cần điện trực tiếp)
-
Áp lực nước: 0.05MPa ~ 0.75MPa
-
Kiểu xả nước: Tự động bằng cảm biến hồng ngoại
-
Thương hiệu: TOTO
-
Xuất xứ: Việt Nam
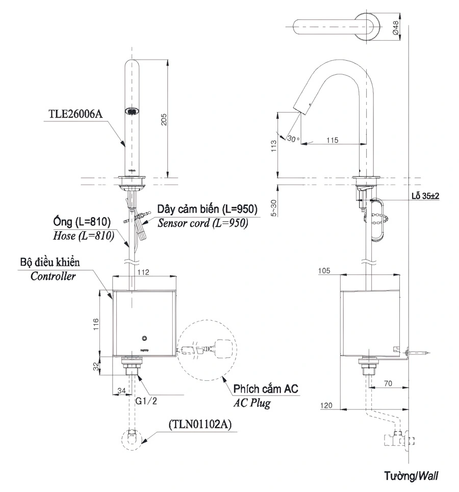
6. Bản vẽ kỹ thuật 2D vòi lavabo gật gù nóng lạnh TLE26007V

7. Kết luận
Với thiết kế hiện đại, công nghệ cảm ứng tiên tiến và khả năng tiết kiệm nước vượt trội, TOTO TLE26007V là lựa chọn lý tưởng cho không gian phòng tắm và vệ sinh công cộng. Sản phẩm không chỉ nâng cao trải nghiệm sử dụng mà còn góp phần bảo vệ môi trường và tiết kiệm chi phí dài hạn.



