Vòi Bếp Nóng Lạnh TOTO TTKC301FV
1. Giới thiệu sản phẩm
TOTO TTKC301FV thuộc dòng CRES – là mẫu vòi bếp nóng lạnh hiện đại, thiết kế gắn chậu với vòi cong dài, tiện dụng và thẩm mỹ cao. Sản phẩm mang đến trải nghiệm tiện nghi và phong cách sang trọng cho không gian bếp.
2. Đặc điểm nổi bật
-
Thiết kế tinh giản, sang trọng và hiện đại.
-
Chất liệu đồng thau mạ Nickel–Chrome đảm bảo độ bền và dễ vệ sinh.
-
Van đĩa bằng sứ cao cấp, chống bám cặn và ngăn rò rỉ.
-
Cơ chế vòi có thể xoay 180°, hỗ trợ linh hoạt khi rửa.
-
Lọc chống văng nước tích hợp ở đầu vòi, giúp sử dụng hiệu quả.
3. Lợi ích khi sử dụng
-
Thiết kế thân thiện, tối ưu không gian, dễ thao tác và vệ sinh.
-
Vật liệu cao cấp và chế tạo chắc chắn giúp giảm chi phí bảo trì.
-
Trải nghiệm sử dụng tiện nghi, an toàn và êm ái nhờ cấu tạo van chất lượng.
-
Thân xoay linh hoạt giúp lấy nước mọi góc thuận tiện.
4. Ứng dụng
Rất phù hợp lắp đặt trong bếp gia đình, căn hộ, quán ăn, nhà hàng hoặc quầy bar—đáp ứng nhu cầu vừa tiện lợi, vừa thẩm mỹ.
5. Thông số kỹ thuật
-
Mã sản phẩm: TTKC301FV
-
Dòng: CRES Kitchen Faucet
-
Loại: Vòi bếp nóng lạnh, tay gạt đơn
-
Chất liệu: Đồng thau mạ Nickel–Chrome
-
Van: Van đĩa sứ chống bám cặn
-
Hoc khả năng xoay: 180°
-
Chế độ nước: Nóng – Lạnh
-
Áp lực nước: 0.05–0.75 MPa
-
Tích hợp: Đầu vòi có lọc chống văng nước
-
Xuất xứ & bảo hành: Lắp ráp tại Việt Nam, bảo hành 2 năm
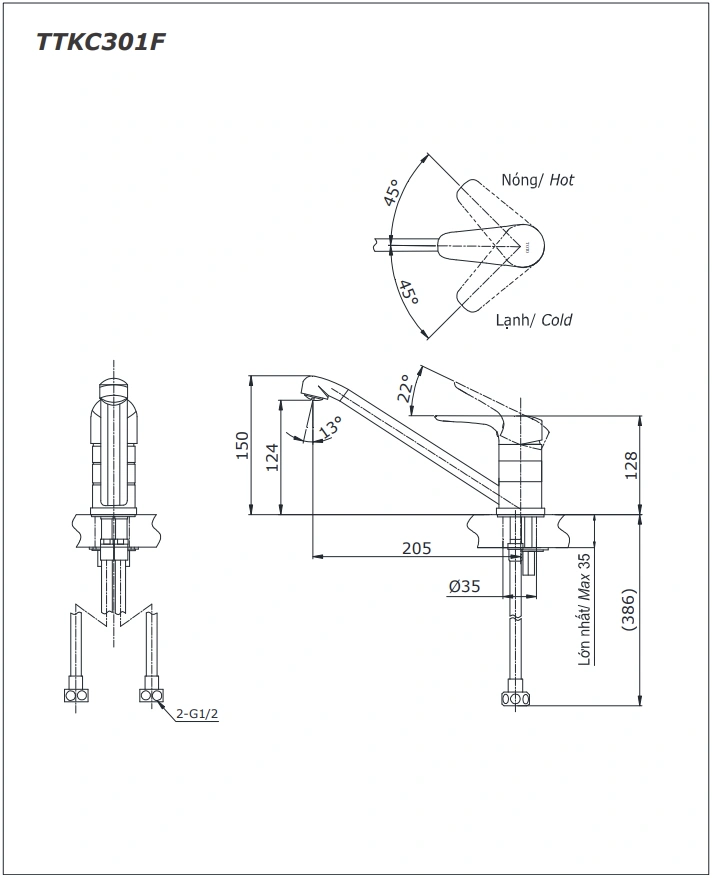
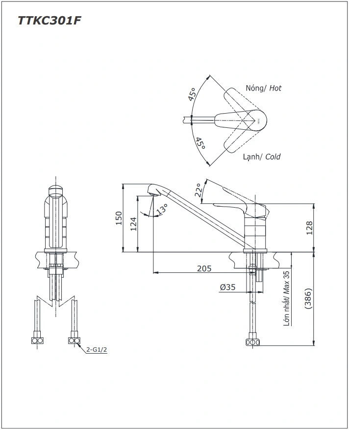
6. Bản vẽ kỹ thuật 2D vòi rửa chén bát nóng lạnh CRES TTKC301FV

7. Kết luận
Với thiết kế gọn đẹp, chất liệu cao cấp và tiện ích nổi bật, TOTO TTKC301FV là sự lựa chọn lý tưởng cho mọi không gian bếp hiện đại. Sản phẩm không chỉ mang lại sự tiện nghi mà còn nâng cao phong cách sống đẳng cấp.



