TBS01302V/DGH104ZR – Bộ sen tắm nóng lạnh cao cấp, sang trọng và tiện nghi
1. Giới thiệu về TBS01302V/DGH104ZR
Bộ TBS01302V/DGH104ZR là giải pháp hoàn hảo cho phòng tắm hiện đại, gồm tay gật gù điều chỉnh nhiệt độ TBS01302V và bát sen cầm tay DGH104ZR. Với thiết kế tinh tế và hiệu năng ổn định, sản phẩm mang đến trải nghiệm tắm tiện lợi, an toàn và phong cách cho mọi không gian như gia đình, khách sạn và spa.
2. Đặc điểm nổi bật
-
Thiết kế hiện đại, tinh tế, hài hòa với phong cách dòng LB cao cấp.
-
Lớp mạ Nickel‑Chrome dày gấp 3 lần, nâng cao độ bền và khả năng chống ăn mòn.
-
Bát sen cầm tay 1 chế độ, cho dòng nước đều và êm ái.
-
Van gật gù trơn tru, dễ dàng điều chỉnh lưu lượng và nhiệt độ nước.
3. Ưu điểm khi sử dụng TBS01302V/DGH104ZR
-
An toàn và tiện nghi: điều chỉnh chính xác nóng – lạnh, hạn chế thay đổi đột ngột.
-
Chất lượng cao: chất liệu vững chắc, bền lâu với thời gian.
-
Tính thẩm mỹ tối ưu: kiểu dáng hiện đại nâng cấp không gian sử dụng.
-
Dễ sử dụng và vệ sinh: phù hợp với nhiều đối tượng và dễ lau chùi.
-
Uy tín TOTO: thương hiệu chất lượng quốc tế, đáng tin cậy.
4. Ứng dụng thực tế
-
Phòng tắm gia đình: tạo sự tiện nghi và an toàn cho mọi thành viên.
-
Khách sạn – Resort: nâng cao trải nghiệm và sự hài lòng của khách.
-
Spa cao cấp: bát sen êm giúp thư giãn tối đa.
5. Thông số kỹ thuật cơ bản
-
Loại sản phẩm: Bộ sen tắm nóng lạnh (tay gật gù + bát sen cầm tay).
-
Mã sản phẩm: TBS01302V/DGH104ZR.
-
Chất liệu: Đồng thau mạ Nickel‑Chrome; bát sen cầm tay chất liệu bền bỉ.
-
Áp lực nước: Hoạt động tốt trong khoảng 0.05 ~ 0.75 MPa.
-
Tính năng: Điều chỉnh lưu lượng và nhiệt độ; bát sen phun đều 1 chế độ.
-
Thiết kế: Gọn gàng, dễ lắp đặt, phù hợp không gian hiện đại.
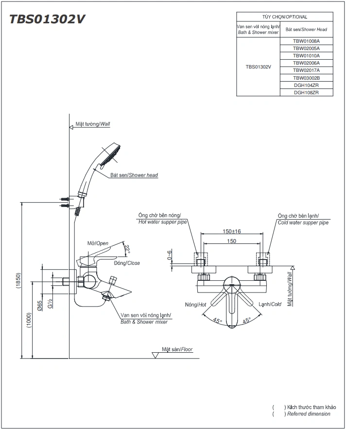
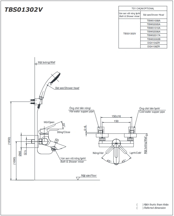
6. Bản vẽ kỹ thuật 2D vòi sen tắm nóng lạnh TBS01302V/DGH104ZR

7. Kết luận
TBS01302V/DGH104ZR là sự kết hợp hoàn hảo giữa tiện nghi và thẩm mỹ. Với chất liệu cao cấp, điều chỉnh nhiệt linh hoạt và thiết kế sang trọng, đây là lựa chọn lý tưởng để nâng cấp không gian phòng tắm. Nếu bạn đang tìm kiếm một sản phẩm sen tắm nóng lạnh chất lượng, TBS01302V/DGH104ZR đáng để cân nhắc!



