TBS02302V/TBW03002B – Bộ sen tắm nóng lạnh LN Series tinh tế và sang trọng
1. Giới thiệu sản phẩm
TBS02302V/TBW03002B là bộ sen tắm nóng lạnh thuộc dòng LN Single Lever Bath & Shower Set của TOTO, bao gồm tay gật gù TBS02302V và bát sen cầm tay 5 chế độ TBW03002B. Sản phẩm mang đến trải nghiệm tắm hiện đại, tiện nghi và an toàn cho gia đình và các không gian cao cấp.
2. Đặc điểm nổi bật
-
Thiết kế tinh tế, hiện đại—phù hợp với phong cách phòng tắm LN Series sang trọng.
-
Lớp mạ Niken-Crom dày gấp 3 lần tiêu chuẩn, tăng độ bền, chống ăn mòn hiệu quả.
-
Bát sen cầm tay 5 chế độ massage, đem lại trải nghiệm thư giãn đa dạng.
-
Tay gật gù vận hành êm ái, dễ dàng kiểm soát lưu lượng và nhiệt độ nước.
-
Hoạt động ổn định với áp lực nước từ 0.05 đến 1.0 MPa, phù hợp nhiều hệ thống nước.
3. Ưu điểm khi sử dụng
-
Tiện nghi toàn diện: Nhiều chế độ phun nước đáp ứng nhu cầu tắm đa dạng.
-
Độ bền vượt trội: Chất liệu cao cấp và lớp mạ chất lượng giữ sản phẩm luôn sáng mới.
-
Không gian sang trọng: Thiết kế hiện đại, tinh gọn, tạo điểm nhấn thẩm mỹ.
-
Vận hành nhẹ nhàng: Dễ sử dụng với mọi thành viên trong gia đình.
-
Uy tín thương hiệu TOTO: Cam kết chất lượng và dịch vụ sau bán hàng toàn diện.
4. Ứng dụng thực tế
-
Phòng tắm gia đình hiện đại: Tăng tiện ích và trải nghiệm người dùng.
-
Khách sạn, resort cao cấp: Nâng tầm dịch vụ với tính năng tắm cao cấp.
-
Spa & căn hộ sang trọng: Tạo ra không gian thư giãn cá nhân trong chuẩn cao cấp.
5. Thông số kỹ thuật cơ bản
-
Loại sản phẩm: Bộ sen tắm nóng lạnh (tay gật gù + bát sen 5 chế độ).
-
Mã sản phẩm: TBS02302V/TBW03002B.
-
Chất liệu: Đồng thau mạ Niken‑Crom; bát sen nhựa mạ Crom.
-
Áp lực nước: 0.05 – 1.0 MPa.
-
Tính năng nổi bật:
-
Tay gật gù điều chỉnh linh hoạt lưu lượng và nhiệt độ.
-
Bát sen 5 chế độ massage đa dạng, dễ điều chỉnh.
-
-
Thiết kế: Âm tường tinh tế, gọn gàng, dễ vệ sinh.
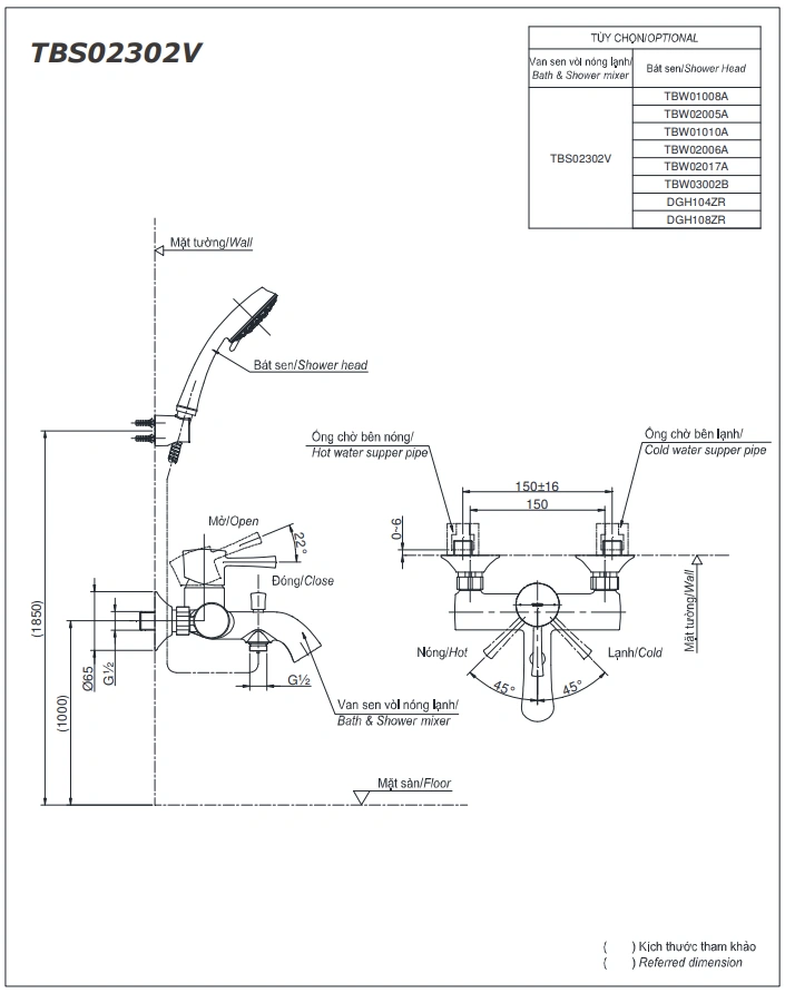
6. Bản vẽ kỹ thuật 2D vòi sen tắm nóng lạnh TBS02302V/TBW03002B

7. Kết luận
TBS02302V/TBW03002B là lựa chọn tối ưu để nâng cấp phòng tắm hiện đại, kết hợp giữa thiết kế tinh tế, chất lượng vượt trội và trải nghiệm tắm thư giãn. Đây chính là sản phẩm mà bạn không nên bỏ qua nếu muốn tối ưu tiện ích và thẩm mỹ cho không gian sống.



