TX432SDN – Bộ sen tắm nóng lạnh cao cấp, tiện nghi và sang trọng
1. Giới thiệu về TX432SDN
Bộ sen tắm TX432SDN thuộc dòng “Single Lever Bath & Shower Set” của TOTO, được thiết kế để hoàn thiện trải nghiệm tắm tiện nghi hiện đại. Sản phẩm vận hành linh hoạt với van gạt điều chỉnh nóng – lạnh, mang lại sự thoải mái và thẩm mỹ cho không gian tắm.
2. Đặc điểm nổi bật
-
Thiết kế tối giản, sang trọng, phù hợp với phong cách phòng tắm hiện đại.
-
Chất liệu đồng thau (Brass) cao cấp, mang lại độ bền và cảm giác chắc chắn khi sử dụng.
-
Lớp mạ Niken–Crom sáng bóng, bảo vệ chống gỉ và dễ lau chùi.
-
Van điều chỉnh Single Lever tiện lợi, điều chỉnh nhiệt độ và lưu lượng nước dễ dàng.
-
Hoạt động ổn định trong áp lực nước từ 0.05 đến 0.75 MPa, phù hợp đa dạng hệ thống nước.
3. Ưu điểm khi sử dụng TX432SDN
-
Dễ dàng điều chỉnh nhiệt độ và lưu lượng nước với một cần gạt duy nhất—rất tiện lợi khi sử dụng.
-
Vật liệu chất lượng cao giúp sản phẩm bền bỉ và giữ được vẻ sáng bóng theo thời gian.
-
Phong cách tinh tế, dễ kết hợp với nhiều loại nội thất phòng tắm hiện đại.
-
Vận hành êm ái, mang lại cảm giác sang trọng khi sử dụng.
-
Chất lượng TOTO Nhật Bản nổi bật ở sự bền bỉ và tinh tế trong sản phẩm.
4. Ứng dụng thực tế
-
Gia đình: Phù hợp với phòng tắm hiện đại, mang lại tiện nghi và an toàn cho người dùng.
-
Khách sạn & resort cao cấp: Mang đến trải nghiệm dùng sang trọng cho khách lưu trú.
-
Công trình thiết kế cao cấp: Thiết kế âm tường gọn gàng giúp tiết kiệm không gian hiệu quả.
5. Thông số kỹ thuật cơ bản
-
Loại sản phẩm: Bộ sen tắm nóng lạnh (mixed shower faucet).
-
Mã sản phẩm: TX432SDN.
-
Chất liệu: Đồng thau (Brass) với lớp mạ Niken–Crom.
-
Áp lực nước hoạt động: 0.05 – 0.75 MPa.
-
Tính năng: Van tay gạt đơn điều chỉnh nước nóng – lạnh.
-
Thiết kế: Gắn âm tường hoặc nổi gọn gàng tùy không gian.
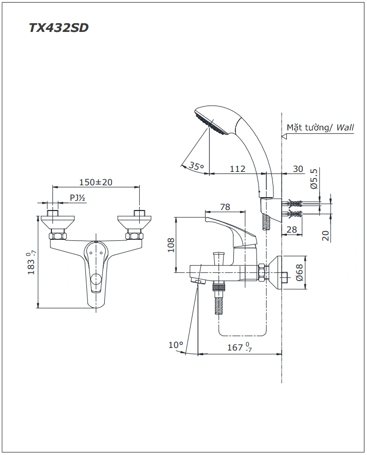
6. Bản vẽ kỹ thuật 2D vòi sen tắm nóng lạnh TX432SDN

7. Kết luận
TBS03302V/DGH108ZR là lựa chọn hoàn hảo để nâng tầm không gian phòng tắm với trải nghiệm tắm hiện đại, an toàn và đẳng cấp. Nếu bạn đang tìm kiếm một sản phẩm sen tắm vừa đẹp, vừa tiện nghi, thì đây chính là bộ sen bạn nên cân nhắc.



