Vòi Lavabo Cảm Ứng TOTO TLE25005V
1. Giới thiệu sản phẩm
TOTO TLE25005V là mẫu vòi lavabo cảm ứng cao cấp, tích hợp công nghệ cảm biến hồng ngoại hiện đại. Với thiết kế nhỏ gọn, tinh tế cùng chất liệu bền bỉ, sản phẩm mang lại sự tiện nghi tối đa, đảm bảo vệ sinh và tiết kiệm nước, phù hợp cho cả gia đình và công trình công cộng.
2. Đặc điểm nổi bật
-
Công nghệ cảm biến hồng ngoại, tự động cấp/ngắt nước thông minh.
-
Thiết kế để bàn hiện đại, nhỏ gọn, dễ dàng lắp đặt với nhiều loại lavabo.
-
Lớp mạ Nickel – Crom cao cấp, chống bong tróc, chống ăn mòn.
-
Chất liệu đồng thau bền chắc, an toàn cho sức khỏe người dùng.
-
Vận hành bằng pin, không cần điện trực tiếp, an toàn và tiết kiệm năng lượng.
3. Lợi ích khi sử dụng
-
Giúp sử dụng dễ dàng, tiện nghi mà không cần chạm tay.
-
Đảm bảo vệ sinh tối đa, hạn chế vi khuẩn tiếp xúc.
-
Tiết kiệm nước hiệu quả với chế độ tự động ngắt.
-
Bền bỉ theo thời gian, giảm chi phí bảo dưỡng và thay thế.
4. Ứng dụng
Phù hợp cho gia đình, khách sạn, resort, văn phòng, nhà hàng, trung tâm thương mại, bệnh viện và các công trình công cộng cần sự tiện nghi, vệ sinh và hiện đại.
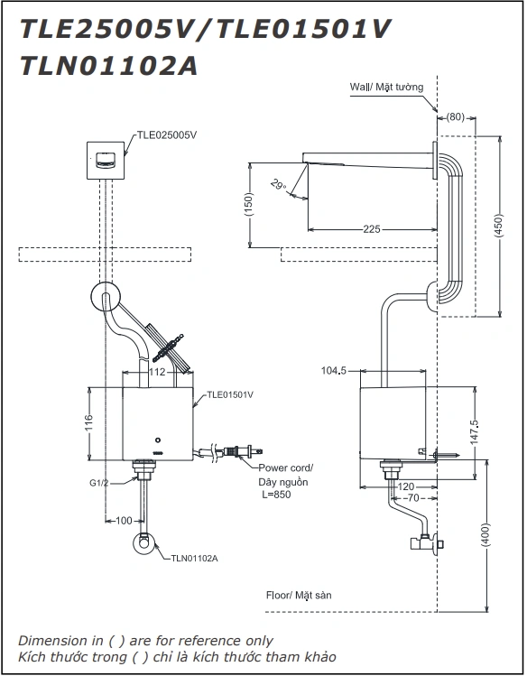
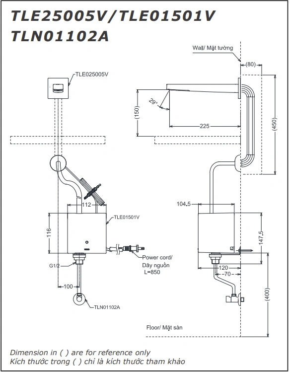
5. Thông số kỹ thuật
-
Mã sản phẩm: TLE25005V
-
Loại sản phẩm: Vòi lavabo cảm ứng để bàn
-
Chất liệu: Đồng thau cao cấp
-
Lớp mạ: Nickel – Crom sáng bóng
-
Nguồn điện: Pin (không cần điện trực tiếp)
-
Áp lực nước: 0.05MPa ~ 0.75MPa
-
Kiểu xả: Cảm biến hồng ngoại tự động
-
Thương hiệu: TOTO
-
Xuất xứ: Việt Nam
6. Bản vẽ kỹ thuật 2D vòi lavabo cảm ứng TLE25005V

7. Kết luận
Với thiết kế tinh gọn, công nghệ cảm ứng hiện đại và chất liệu bền bỉ, TOTO TLE25005V là lựa chọn lý tưởng cho phòng tắm hiện đại. Sản phẩm không chỉ mang lại sự tiện nghi và vệ sinh tối ưu mà còn giúp tiết kiệm nước và nâng cao tính thẩm mỹ cho không gian sống.



