Vòi Lavabo Nóng Lạnh TOTO TLG07301V
1. Giới thiệu sản phẩm
Vòi lavabo nóng lạnh TOTO TLG07301V là dòng sản phẩm cao cấp thuộc bộ sưu tập GM với thiết kế sang trọng, tinh tế và tiện nghi. Sản phẩm được chế tác từ chất liệu cao cấp, bền bỉ, mang lại trải nghiệm thoải mái và hiện đại cho không gian phòng tắm.
2. Đặc điểm nổi bật
-
Thiết kế hiện đại, tối giản với đường nét vuông vức khỏe khoắn.
-
Lớp mạ Nickel – Crom sáng bóng, chống gỉ sét, chống bong tróc.
-
Tay gạt nhẹ nhàng, dễ dàng điều chỉnh nhiệt độ và lưu lượng nước.
-
Công nghệ tiết kiệm nước tiên tiến, thân thiện với môi trường.
-
Sản phẩm đạt tiêu chuẩn chất lượng cao của thương hiệu TOTO Nhật Bản.
3. Lợi ích khi sử dụng
-
Mang đến sự tiện nghi và thoải mái trong quá trình sử dụng hằng ngày.
-
Góp phần tạo điểm nhấn sang trọng, hiện đại cho không gian phòng tắm.
-
Tiết kiệm nước hiệu quả mà vẫn đảm bảo áp lực nước ổn định.
-
Độ bền cao, hạn chế tối đa chi phí sửa chữa và thay thế.
4. Ứng dụng
Thích hợp sử dụng cho nhiều không gian như: gia đình, khách sạn, resort, văn phòng hay các công trình cao cấp cần sự tinh tế và hiện đại.
5. Thông số kỹ thuật
-
Mã sản phẩm: TLG07301V
-
Loại sản phẩm: Vòi lavabo nóng lạnh, 1 lỗ
-
Bộ sưu tập: GM
-
Chất liệu: Đồng thau cao cấp
-
Lớp mạ: Nickel – Crom bền bỉ
-
Áp lực nước: 0.05MPa ~ 0.75MPa
-
Van điều khiển: Van đĩa sứ chống rò rỉ
-
Thương hiệu: TOTO
-
Xuất xứ: Việt Nam
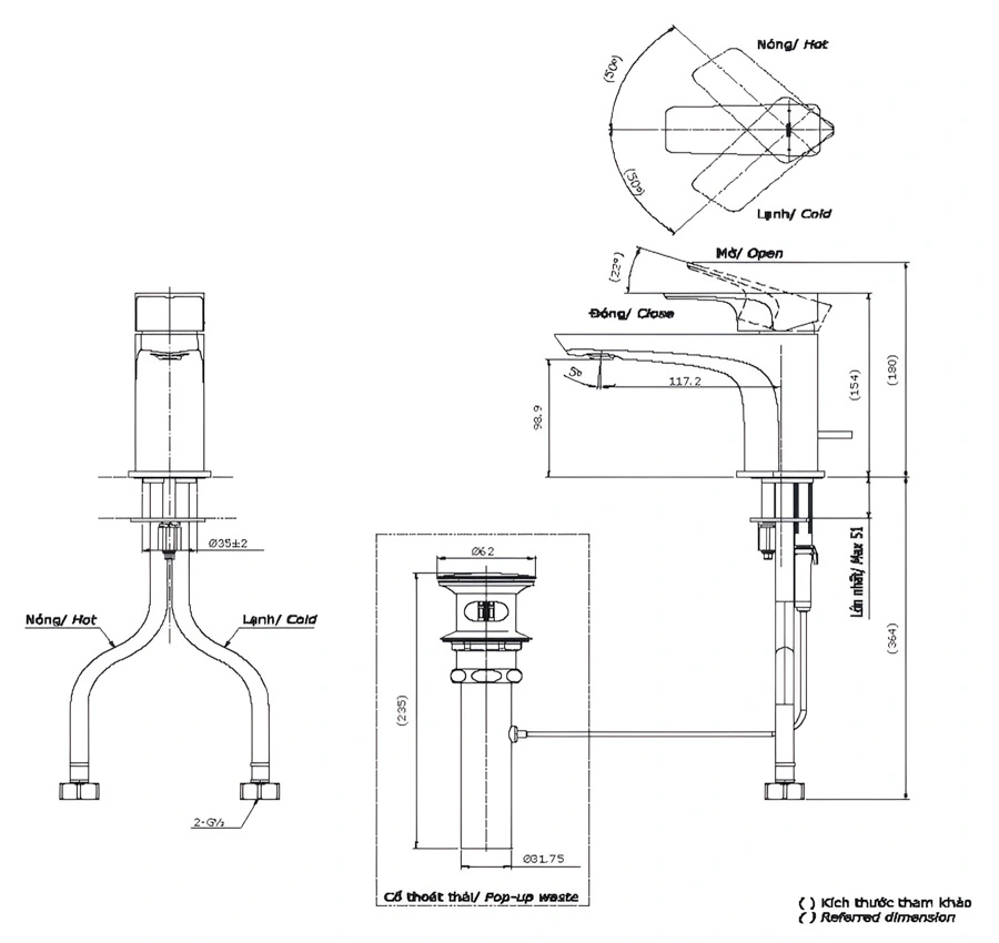
6. Bản vẽ kỹ thuật 2D vòi lavabo gật gù nóng lạnh TLG07301V

7. Kết luận
Với thiết kế hiện đại, chất liệu cao cấp và công nghệ tiên tiến, TOTO TLG07301V là lựa chọn hoàn hảo để nâng tầm không gian phòng tắm. Sản phẩm vừa tiện nghi, vừa bền bỉ, đáp ứng nhu cầu của cả những khách hàng khó tính nhất.



